Foram encontradas 915 questões.
O padrão de televisão digital HDTV adotado no Brasil é o ISDB-TB, que permite a transmissão de dois canais de
Provas
Um amplificador operacional ideal responde apenas à diferença de sinal (v2 – v1), ou seja, quando os sinais são iguais, a saída é nula. Assinale alternativa que indica como é conhecida essa propriedade do amplificador operacional.
Provas

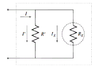
Considerando um amperímetro que utiliza um galvanômetro como sensor, para que a medida seja a mais precisa possível, é necessário que o amperímetro seja ligado em
Provas

Quanto ao circuito da figura apresentada, considerando os resistores R1 = R2 = R3 = 2 Ω e R4 = 1 Ω, é correto afirmar que a corrente (em ampères) no ramo CD é igual a
Provas
A recomendação H.323 do UIT utiliza, para controle de mídia, o protocolo
Provas
O Moving Pictures Expert Group (MPEG) especificou o padrão de codificação de vídeo MPEG-4, que explora a redundância temporal e espacial das imagens. Considerando esse tema, é correto afirmar que, em sua codificação, o MPEG-4 foi desenvolvido para uma taxa de bits suficiente para a largura de banda dos sistemas digitais de TV (HDTV) de
Provas
Assinale a alternativa que apresenta a tecnologia desenvolvida pelo 3rd Generation Partnership Project (3GPP), considerada 4G, que faz uso de tecnologia OFDMA nos seus canais de downlink de 1,4 MHz a 20 MHz, atingindo picos de até 100 Mbps.
Provas
Em relação à alimentação de uma antena do tipo ressonante, levando em consideração os conceitos de relação de onda estacionária Voltage Standing Wave Ratio (VSWR), perda por reflexão, potência refletida e potência transmitida, é correto afirmar que quanto menor o coeficiente de reflexão,
Provas
Assinale a alternativa que apresenta o processo de multiplexação em que os sinais de diferentes fontes são intercalados no tempo, de forma organizada, e utilizam o mesmo meio de transmissão, dentro da mesma faixa de frequência.
Provas

A figura apresentada é um tipo de modulação digital por deslocamento de fase utilizada na tecnologia Enhanced Data Rates for GSM Evolution (EDGE), que permite a transmissão de 3 bits por símbolo. Quanto a essa modulação, é correto afirmar que ela é do tipo
Provas
Caderno Container