Foram encontradas 120 questões.
- Conversores Analógicos Digitais (AD) e Digitais Analógicos (DAC)
- Eletrônica Digital na Engenharia Eletrônica
O número binário 01111111 corresponde a uma tensão menor que 1 V.
Provas

Considerando que, no amplificador ilustrado na figura precedente, o transistor bipolar esteja corretamente polarizado na região ativa, julgue o próximo item.
O referido amplificador está na configuração coletor comum, que, tipicamente, possui um ganho não unitário positivo, alto ganho de tensão e ganho unitário de corrente.
Provas

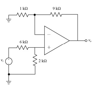
Com relação ao circuito precedente, considerando que todos os componentes do circuito sejam ideais e que o amplificador operacional seja alimentado com uma tensão bipolar de ± 15 V, julgue o item subsequente.
Caso a tensão de entrada vi tenha valor constante de 1 V, então a tensão de saída vo assumirá o valor de 2,5 V.
Provas

Caso um capacitor de 100 nF seja conectado em paralelo com o resistor de 9 kΩ, será acrescentado ao circuito o comportamento de um filtro passa-alta de primeira ordem, com frequência de corte igual a 1 kHz.
Provas
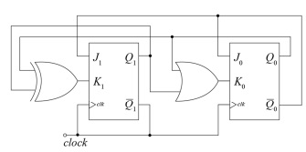
A respeito de um circuito sequencial de 2 bits que apresenta, de forma cíclica, a sequência 00, 01, 11, 10, julgue o seguinte item.
Para implementar um circuito que realize a sequência em questão com o menor consumo possível de energia, a família de circuitos lógicos mais indicada é a 74H00, que é realizada com o uso de transistores PMOS e NMOS.
Provas
A respeito de um circuito sequencial de 2 bits que apresenta, de forma cíclica, a sequência 00, 01, 11, 10, julgue o seguinte item.
O circuito sequencial a seguir, que utiliza flip-flops do tipo JK gatilhados por borda de subida, realiza a sequência citada.

Provas
A respeito de um circuito sequencial de 2 bits que apresenta, de forma cíclica, a sequência 00, 01, 11, 10, julgue o seguinte item.
A sequência de contagem cíclica segue um padrão compatível com o código de Gray de 2 bits.
Provas

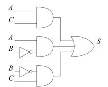
Julgue o próximo item relativo à tabela verdade precedente, que ilustra o comportamento de um circuito combinacional com três entradas (A, B e C) e uma saída (S).
A expressão lógica representada por essa tabela pode ser realizada, em um circuito lógico, com o uso de apenas portas lógicas do tipo NAND.
Provas

Julgue o próximo item relativo à tabela verdade precedente, que ilustra o comportamento de um circuito combinacional com três entradas (A, B e C) e uma saída (S).
O circuito lógico a seguir realiza, de modo correto, na forma de mínima soma de produtos, o comportamento da função lógica representada na tabela.

Provas
Se a corrente de entrada for igual a 2 A, então a corrente de saída será de 3,6 A.
Provas
Caderno Container