Foram encontradas 703 questões.
O texto e o esquema abaixo referem-se às questões de números 42 e 43.
Trata-se de uma fonte de alimentação com uma saída ajustável de zero a aproximadamente 14,4 V e outra saída fixa de 15 V.

O diodo Zener D3, neste caso, deve ter uma tensão Zener de
Provas
O parâmetro híbrido do transistor que informa a sua impedância de entrada na configuração emissor comum é
Provas
O dispositivo optoeletrônico de dois terminais denominado TIL 78 possui as características abaixo discriminadas:
Provas
A figura abaixo representa a tela de um osciloscópio medindo um sinal quadrado em duas condições diferentes:
I − chave AC-GND-DC na posição DC; II − chave AC-GND-DC na posição AC. Nos dois casos, o ganho vertical está calibrado em 0,5 V/DIV e a base de tempo em 0,2 μs/DIV.

Os valores que caracterizam corretamente o sinal acima representado são:
Provas
Um relé é energizado quando a tensão em sua bobina é de 12 V e a corrente de aproximadamente 30 mA. Para medir com maior precisão a resistência ôhmica da bobina, um multímetro digital deve estar com a chave seletora de fundo de escala em
Provas
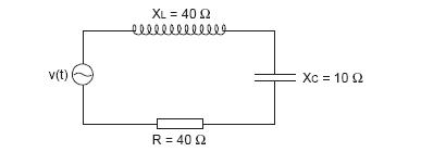
Para responder às questões de números 36 e 37, considere o circuito abaixo.

A impedância total do circuito vale, aproximadamente,
Provas
Para responder às questões de números 36 e 37, considere o circuito abaixo.

Associe as colunas de cada dispositivo do circuito com o tipo de potência que ele desenvolve e a sua respectiva unidade de medida.

Provas
Um sinal alternado senoidal tem amplitude de pico de 42 V e período de 20 μs. O valor aproximado da tensão eficaz e a freqüência são, respectivamente,
Provas
No circuito abaixo, a tensão no resistor R4 vale

Provas
A resistência equivalente do circuito abaixo vale
Provas
Caderno Container