Foram encontradas 421 questões.
- Tecnologia das ConstruçõesSistemas e Elementos ConstrutivosSistemas EstruturaisPrincípios e Fundamentos
- Tecnologia das ConstruçõesSistemas e Elementos ConstrutivosSistemas EstruturaisEstruturas de Concreto
- Tecnologia das ConstruçõesVedações
Provas
Provas
- Patrimônio Ambiental, Cultural e ArquitetônicoConservação e Restauração
- Tecnologia das ConstruçõesCoberturas
Provas
Provas
Venturi, Scott Brown e Izenour sustentam que a arquitetura depende, para sua percepção e criação, de experiências passadas e associações emocionais, elementos estes que podem se contradizer em relação à forma, à estrutura, e ao programa do edifício aos quais estão associados. Para demonstrar este raciocínio, descrevem dois tipos de edifícios:
I. aqueles que apresentam os sistemas arquitetônicos de espaço, estrutura e programa que são submersos e distorcidos por uma forma simbólica global.
II. aqueles cujos sistemas de espaço e estrutura estão diretamente a serviço do programa, e o ornamento se aplica sobre estes com independência.
Os autores se referem a estes dois tipos de edifícios como, respectivamente,
Provas
- Desenho Técnico
- Expressão e Representação
- Tecnologia das ConstruçõesSistemas e Elementos Construtivos
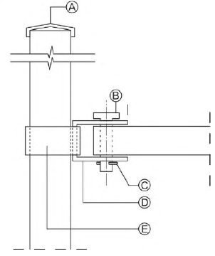
Considere o detalhe de um portão de ferro perfilado, em vista, conforme desenho abaixo.

Provas
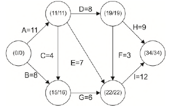
Considere o projeto de obra representado pela rede de seis eventos cujas durações estão expressas no desenho abaixo.

Para este caso, o caminho crítico é composto pelas atividades
Provas
Considere o desenho de fachada abaixo, construído com o comando LINE do AutoCAD

Provas

Provas

Provas
Caderno Container