Foram encontradas 120 questões.

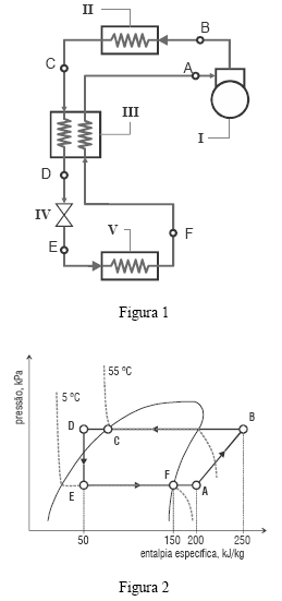
A figura 1 apresenta o esquema de um sistema de refrigeração que opera conforme o gráfico de pressão × entalpia representado na figura 2. Na figura 1, os componentes IV e V se encontram no interior de uma câmara fria com temperatura interna do ar de 10 ºC, e o componente II está montado ao ar livre, com temperatura atmosférica de 40 ºC.
Com base nessas informações, julgue o item que se segue.
Se a definição de reservatório térmico fosse aplicada ao presente caso e todos os processos fossem reversíveis, o COP de Carnot para o ciclo em que o sistema de refrigeração opera seria superior a 9,0.
Provas

A figura 1 apresenta o esquema de um sistema de refrigeração que opera conforme o gráfico de pressão × entalpia representado na figura 2. Na figura 1, os componentes IV e V se encontram no interior de uma câmara fria com temperatura interna do ar de 10 ºC, e o componente II está montado ao ar livre, com temperatura atmosférica de 40 ºC.
Com base nessas informações, julgue o item que se segue.
Na figura 1, o componente IV representa o dispositivo de expansão do sistema de refrigeração, no qual ocorre um processo aproximadamente isentrópico.
Provas

A figura 1 apresenta o esquema de um sistema de refrigeração que opera conforme o gráfico de pressão × entalpia representado na figura 2. Na figura 1, os componentes IV e V se encontram no interior de uma câmara fria com temperatura interna do ar de 10 ºC, e o componente II está montado ao ar livre, com temperatura atmosférica de 40 ºC.
Com base nessas informações, julgue o item que se segue.
O sistema emprega um trocador de calor regenerador que, desprezando trocas de calor com o ambiente, afeta o desempenho do ciclo de tal forma que hC - hD = hA - hF, em que hA, hC, hD e hF representam as entalpias específicas nos pontos A, C, D e F, respectivamente.
Provas

A figura 1 apresenta o esquema de um sistema de refrigeração que opera conforme o gráfico de pressão × entalpia representado na figura 2. Na figura 1, os componentes IV e V se encontram no interior de uma câmara fria com temperatura interna do ar de 10 ºC, e o componente II está montado ao ar livre, com temperatura atmosférica de 40 ºC.
Com base nessas informações, julgue o item que se segue.
Considerando-se o ciclo em que ocorre o efeito útil efetivo de refrigeração para a aplicação, isto é, que produz capacidade de refrigeração para atender a câmara fria, é correto afirmar que o COP para este ciclo é igual a 3,0.
Provas

Em um projeto de instalação de climatização, os responsáveis devem decidir que substância adotar como fluido refrigerante: a amônia (R717) ou o blend zeotrópico (R410a). As principais propriedades desses fluidos são apresentadas na tabela acima, com valores típicos para condições definidas.
O refrigerante R410a é algumas vezes apresentado como um fluido ecológico por não ser um gás de efeito estufa e ser, ainda, uma alternativa ambientalmente compatível com a preservação da camada de ozônio.
Provas

Em um projeto de instalação de climatização, os responsáveis devem decidir que substância adotar como fluido refrigerante: a amônia (R717) ou o blend zeotrópico (R410a). As principais propriedades desses fluidos são apresentadas na tabela acima, com valores típicos para condições definidas.
Embora a amônia seja um fluido compatível com a proteção da camada de ozônio por ter ODP nulo, eventuais vazamentos de amônia para a atmosfera contribuem para a intensificação do aquecimento global.
Provas
Considerando essas informações, julgue o item que se segue.
A corrente eficaz total da instalação é maior que 260 A.
Provas
Considerando essas informações, julgue o item que se segue.
Considerando que a carga de iluminação, com um total de 12 kVA, fosse alimentada por apenas uma das fases e neutro, o desequilíbrio entre fases seria menor que 20%.
Provas
Considerando essas informações, julgue o item que se segue.
O fator de potência da instalação é menor que 0,83.
Provas

A figura apresentada ilustra um sistema de transferência automática de alimentação de energia. Com relação a esse assunto, julgue o seguinte item.
Os quadros de comutação automática possuem de uma a três entradas de redes elétricas diferentes e uma saída única para alimentação da carga.
Provas
Caderno Container