Foram encontradas 40 questões.
Para o acompanhamento de manutenção preventiva em um setor da Empresa, deseja-se registrar e tabular valores de forma ordenada, permitindo o uso de fórmulas matemáticas para cálculos específicos e a obtenção de gráficos para demonstração dos resultados. Das alternativas a seguir, o tipo de programa mais adequado a essa finalidade é:
Provas
Disciplina: Segurança e Saúde no Trabalho (SST)
Banca: VUNESP
Orgão: PB Saúde
A Norma Regulamentadora que estabelece os requisitos e as condições mínimas objetivando a implementação de medidas de controle e sistemas preventivos, de forma a garantir a segurança e a saúde dos trabalhadores que, direta ou indiretamente, interajam em instalações elétricas e serviços com eletricidade, é a:
Provas
Considere o desenho de uma peça em perspectiva isométrica mostrado a seguir:

Assinale a alternativa que apresenta a correta representação em 3 vistas para esta peça.
Provas
Um motor de indução trifásico foi enviado para o setor de manutenção para reparos, pois apresentou falhas no mancal dianteiro. A ficha do referido motor indica que ele é aplicado no acionamento de uma bomba centrífuga, montado em base metálica e acoplado através de uma luva elástica. O eletricista de manutenção observou que o rolamento dianteiro do motor apresentava sinais de desgaste severo por remoção da lubrificação produzida por agente externo, além de possuir pontos de oxidação em estágio avançado, ocasionados por presença de água no rolamento. Após a substituição do rolamento dianteiro, o motor passou a operar normalmente, sem anomalias de ordem eletromecânica.
Durante a reposição do motor ao seu local de operação, para evitar que o defeito volte a se repetir, deve-se observar:
Provas
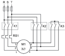
Considere o diagrama de força de uma chave estrela- -triângulo mostrado na figura a seguir.

Se a corrente nominal do motor de indução trifásico M1 é de 120 A quando operando com fechamento em Δ, e seu fator de serviço (FS) é igual a 1,15, o ajuste do relé de sobrecarga RS1, para adequada proteção do motor, deve ser
Provas
Um motor de indução trifásico, 60 Hz, apresenta enrolamento em configuração Dahlander, em que a conexão para maior velocidade corresponde a um enrolamento de 4 polos. Quando este motor possui seu enrolamento conectado para menor velocidade, a alternativa que melhor representa esse valor é:
Provas
O motor de indução trifásico é a máquina elétrica mais empregada na indústria como fonte de força motriz para os mais diversos tipos de máquinas e equipamentos. A característica que define a operação do motor de indução é que ele opera em condições nominais com
Provas
Um transformador monofásico possui dois enrolamentos concêntricos, montados em um núcleo laminado de aço silício com chapas em formato E-I. O enrolamento primário é composto por 720 espiras, e o enrolamento secundário é composto por 410 espiras. Com o transformador energizado foi encontrada uma tensão secundária de 280 Volts. Qual é o valor da tensão aplicada ao primário deste transformador?
Provas
Considere uma instalação elétrica de baixa tensão alimentada diretamente por uma subestação de transformação própria. O limite máximo de queda de tensão admissível, estabelecido pela norma NBR5410, para os circuitos de iluminação ou de outros usos desta instalação, é de:
Provas
Sobretensões em instalações elétricas de baixa tensão são originadas por diversos fatores, dentre os quais descargas atmosféricas, faltas entre fases ou entre fase e terra no sistema de distribuição, distúrbios produzidos por cargas potencialmente perturbadoras, entre outros. Uma forma de limitar os efeitos de sobretensões em instalações elétricas de baixa tensão é o emprego, de modo criterioso nos quadros de distribuição, de
Provas
Caderno Container