Foram encontradas 40 questões.
Um transformador monofásico possui tensão nominal no primário de 8 [kV], tensão nominal no secundário de 200 [V] e potência nominal de 10 [kVA]. Esse transformador alimenta uma carga de potência nominal com fator de potência 0,8 (indutivo). Admitindo que o transformador é ideal, a corrente que percorre o enrolamento primário do transformador é de
Provas
Na figura a seguir, são mostrados dois circuitos eletrônicos típicos.

Sobre os circuitos da esquerda e da direita, respectivamente, é correto afirmar que se tratam de
Provas
Uma carga elétrica monofásica pode ser representada por uma resistência em série com uma indutância. Quando alimentada por uma fonte de tensão de corrente alternada, essa carga monofásica apresenta quedas de tensão eficaz na resistência e na indutância de 40 [V] e 30 [V], respectivamente. Nesse contexto, a tensão eficaz fornecida pela fonte é de
Provas

Dado que:
● V1 = 10 [V]
● V2 = 20 [V]
● R1 = 8 [ohms]
● R2 = 12 [ohms]
● R3 = 2 [ohms]
● R4 = 8 [ohms]
● R5 = 4 [ohms]
Assinale a alternativa que apresenta corretamente o valor da corrente que circula por R5, em [A]. Para tanto, considere que o terminal negativo da fonte V1 está solidamente aterrado.
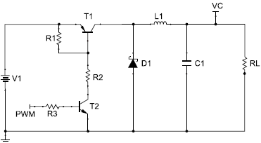
Provas
A topologia, ou arranjo típico de componentes, para uma fonte de alimentação chaveada regulada é mostrada na figura a seguir. Sabe-se que V1 é a tensão externa de alimentação, RL é a carga que será alimentada pela fonte, VC é a medida da tensão instantânea aplicada à carga, e PWM o sinal que controla o disparo do transistor T2 e T1.

Sobre esse circuito é correto afirmar que se trata de uma fonte tipo
Provas
A seguinte montagem com os diodos D1 e D2, mostrada na figura, é utilizada em um circuito eletrônico para que um sinal externo analógico possa ser admitido em uma porta analógica de um circuito integrado microcontrolador (U1), como mostrado na figura a seguir.

Esse tipo de circuito com os diodos D1 e D2 constitui um exemplo de um circuito
Provas
Uma fonte elétrica de corrente contínua, que pode ser representada por uma fonte de tensão ideal em série com uma resistência interna, possui dois terminais de saída, A e B. Essa fonte é capaz de fornecer tensão de saída em vazio, de valor 10 [V]. Acidentalmente, o técnico responsável pela fonte conectou um amperímetro ideal aos seus terminais e efetuou uma leitura de 100 [A] antes que a fonte fosse danificada. Sendo assim, a resistência interna tem valor de
Provas
Um técnico em eletricidade da Universidade São Calaritano foi convidado para avaliar um manual de segurança em eletricidade, apócrifo, disponível na biblioteca da instituição. Nesse manual, ele encontrou a seguinte e correta recomendação:
Provas
Um osciloscópio coletou um registro com a forma de onda de dois sinais puramente senoidais, um de tensão e outro de corrente, sincronizados, que são mostrados na figura a seguir.

Sobre estes sinais, é correto afirmar que os valores para a tensão de pico, para a corrente de pico, e para a frequência são, aproximadamente:
Provas
Deseja-se medir a potência ativa consumida por um equipamento alimentado em tensão alternada senoidal, na frequência da rede elétrica de 60,0 [Hz], em tensão baixa (menor que 20,0 [V]). Sabe-se que o equipamento é uma carga com característica resistiva e indutiva. Dispõem-se, para realizar essa medida, dos seguintes equipamentos: um multímetro, um osciloscópio, um gerador de funções, uma fonte de alimentação em tensão alternada, e de outra em corrente contínua. Desta forma, a medida da potência ativa
Provas
Caderno Container