Foram encontradas 40 questões.

A figura acima representa estrutura metálica em determinada refinaria onde um condutor sob tensão V perde a isolação e encosta na mesma, assim permanecendo. Um operador toca na estrutura com uma das mãos e imediatamente uma corrente de choque Ich percorre o seu corpo, drenando posteriormente, através dos seus pés, para a terra. Sabe-se que a resistência do corpo humano (Rh) pode ser considerada de valor 1000 !$ \Omega !$ , a resistência por pé do operador pode ser considerada como 40 /cm2 e a área superficial por pé do operador é igual a 10 cm2. Para uma corrente de choque Ich de 600mA fluindo para terra através do operador, este ficará submetido a uma tensão de toque de
Provas

O diagrama unifilar mostrado acima corresponde a uma unidade de biodiesel na qual um motor de indução de 1250CV possui como elementos de proteção, os relés 27, 49, 51 e 50G, conforme padronização para paineis elétricos de média tensão. A ordem de descrição desses dispositivos corresponde, respectivamente, à denominação de relé
Provas

O circuito acima representa um Conversor Digital- Analógico, usando um amplificador operacional, devidamente polarizado com + VCC e –VCC. Os 4 bits da entrada são representados por A B C D e recebem sinais no código BCD 8421. O nível lógico “1”, usado no conversor, é representado por uma tensão contínua de 5 volts e o nível “0” por 0 volts. Qual é, em volts, a tensão na saída Vs, quando a entrada digital vale “0 1 0 0”?
Provas

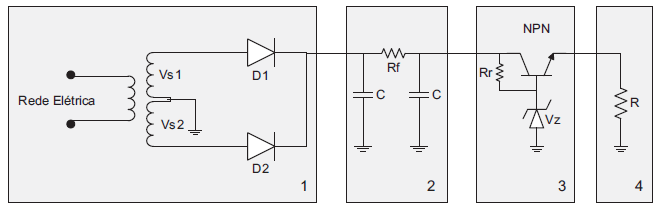
O circuito acima é subdividido em quatro trechos principais (1, 2, 3, 4). Cada um dos quatro módulos tem função específica, sendo responsáveis pela transformação da forma de onda da origem (1) ao destino (4). Qual a função de cada um desses módulos (1, 2, 3, 4)?
| 1 | 2 | 3 | 4 |
Provas

O diagrama lógico acima, alimentado por quatro barras de sinais A, B, C, D, representa parte do circuito de acionamento e controle de uma planta elétrica de uma refinaria de petróleo. Qual a representação da saída S do diagrama lógico?
Provas

No circuito mostrado ao lado, todos os componentes são ideais. Os amperímetros estão calibrados para medir valor eficaz de senoide, sendo a indicação de A1=10 A, de A2 = 20 A e de A3 = 10 A. A carga resistiva tem um fator de potência FP = 1, a carga com característica indutiva tem um fator de potência FP = 0,8 e a carga com característica capacitiva tem um fator de potência FP = 0,6, também indicados no circuito.
Qual a corrente total indicada pelo amperímetro AT?
Provas
Um transformador, com tensão primária Vp, corrente primária Ip e Np espiras no enrolamento primário, tensão secundária Vs, corrente secundária Is e Ns espiras no secundário, é alimentado por uma tensão senoidal. Sabe-se que não existe perda ôhmica nos enrolamentos e que o núcleo é confeccionado com material magnético na forma de lâminas tipo E-I. Sabe-se, também, que a indutância mútua é infinitamente grande, e o fluxo encontra-se totalmente concatenado no núcleo do transformador.
Nessas condições, representa corretamente a relação de tensão, corrente e espiras do transformador a expressão
Provas

A relação funcional entre a densidade de fluxo (indução magnética) B e a intensidade de campo (campo magnético) H define a curva característica do material magnético como a do núcleo dos transformadores. Em certos materiais magnéticos, a correspondência entre B e H não é biunívoca, isto é, para certo B, H apresenta dois valores distintos, dependendo se H está crescendo ou decrescendo de valor. A curva mostrada acima reflete essas considerações e é conhecida como curva
Provas

Uma linha trifásica de sequência ABC alimenta uma carga equilibrada, representada no circuito acima. Para calcular a potência ativa total PT dissipada na referida CARGA, instalam- se no circuito dois wattímetros W1 e W2. Nessas condições, a potência ativa total PT é igual a
Provas

Para o circuito acima, o capacitor está inicialmente descarregado. Em t = 0 s a chave fecha e começa o processo de carga do capacitor. Sabe-se, também, que a chave permanece fechada por um tempo infinitamente grande (!$ t \rightarrow \infty !$). A tensão desenvolvida no capacitor Vc(t) para (!$ t \rightarrow \infty !$ ) e o valor da constante de tempo de carga !$ \tau !$ do circuito no processo de carga do capacitor são, respectivamente,
Provas
Caderno Container