Foram encontradas 503 questões.
No monitoramento ambiental, diversos critérios, físicos, químicos e biológicos são utilizados. Para avaliar a contaminação fecal em recursos hídricos, deve-se escolher um organismo indicador de fácil isolamento, identificação e enumeração/contagem. Entre as características abaixo, qual deve ser encontrada em microrganismos com esta finalidade?
Provas
Imagine que o perito criminal Sherlock Poirot desenvolveu uma pesquisa de campo em Igarassu para determinar o tempo de decomposição de carcaças de vertebrados de três espécies, a fim de comparar com o tempo de decomposição de cadáveres humanos. Seu assistente, Watson Bond, muito habilitado em Bioestatística, elaborou os dados de modo a apresentá-los em um gráfico do tipo “Box and Whiskers”, que descreve a média, sua variabilidade e confiabilidade.

Entretanto, na impressão algumas informações ficaram faltando no gráfico final que compara o tempo de decomposição (eixo Y), em horas, das três espécies (eixo X). Mesmo assim, é possível obter conclusões sobre os dados. Das alternativas abaixo, assinale a única conclusão correta que pode ser tirada sobre o tempo de decomposição das carcaças, com base exclusivamente no gráfico:
Provas
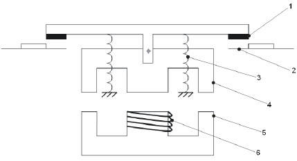
Os contactores são dispositivos muito utilizados em interrupções de circuitos em carga ou a vazio. A figura abaixo ilustra o esquema de um contactor magnético tripolar.

A seqüência correta das partes constituintes do contactor apresentado é:
Provas
O principal tratado internacional que protege as espécies é a Convenção Internacional sobre o Comércio das Espécies da Fauna e Flora em Perigo de Extinção (CITES), firmada em 1973 em conjunto com o Programa das Nações Unidas para o Meio Ambiente. Sobre a CITES, é correto afirmar:
Provas
A questão central do Protocolo de Kyoto – que entrou em vigor mesmo sem a assinatura dos Estados Unidos - refere-se ao efeito estufa ou aquecimento climático global, fenômeno decorrente especialmente de:
Provas
As afirmativas abaixo dizem respeito a sistemas auxiliares de abastecimento de energia elétrica:
1. Os grupos geradores podem ser usados para o abastecimento de emergência de parte dos receptores.
2. Os acumuladores podem ser usados para abastecer receptores ligados em redes de alta tensão.
3. Os acumuladores, através de conversores, podem fornecer tensão alternada para abastecimento de emergência de receptores importantes.
4. Os grupos geradores podem abastecer todos os receptores de uma instalação.
Está(ão) incorreta(s):
Provas
Assinale a alternativa que contém uma afirmação correta sobre microrganismos patogênicos:
Provas
A compreensão das medidas de similaridade é central para entender as comunidades e os processos ecológicos que nelas ocorrem. Assinale a alternativa correta sobre índices de similaridade:
Provas
Camundongos transgênicos são hoje uma poderosa ferramenta no estudo in vivo de processos biológicos. Neles, podem-se alterar vias metabólicas específicas e avaliar em grande profundidade o funcionamento celular. Sobre animais transgênicos, é correto afirmar:
Provas
Sabendo que os ácidos nucléicos são necessários para o armazenamento e expressão da informação genética, analise as afirmações abaixo:
1. O DNA está presente não somente nos cromossomos no núcleo dos organismos eucarióticos, mas também na mitocôndria e nos cloroplastos.
2. O DNA é um ácido desoxirribonucléico que contém muitos desoxirribonucleotídeos ligados covalentemente por ligações 3’-5’-fosfodiéster.
3. O DNA contido em um ovo fertilizado codifica a informação que dirige o desenvolvimento de um ser vivo.
4. As células procarióticas possuem um cromossomo único, mas podem conter DNA não-cromossômico na forma de plasmídeos.
Estão corretas:
Provas
Caderno Container