Foram encontradas 80 questões.
No circuito abaixo, as características do XTAL são: f0= 1,2 MHz e rs=
50Ω.
Sabendo que L= 2,4 μH; C= 820 pF; R1=100 kΩ e R2=50 kΩ, a frequência possível de oscilação desse circuito é de aproximadamente
Sabendo que L= 2,4 μH; C= 820 pF; R1=100 kΩ e R2=50 kΩ, a frequência possível de oscilação desse circuito é de aproximadamente
Provas
Questão presente nas seguintes provas
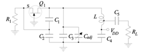
Considere o circuito a seguir:
Sabendo que o oscilador do circuito opera em 80 MHz e dado que C1= 5pF, C2= 20pF, C3= 33pF, L= 0,1 μH e Q1: Cgs= 2,5pF±20%, a capacitância de Cadj para o Cgs no valor nominal é de aproximadamente
Sabendo que o oscilador do circuito opera em 80 MHz e dado que C1= 5pF, C2= 20pF, C3= 33pF, L= 0,1 μH e Q1: Cgs= 2,5pF±20%, a capacitância de Cadj para o Cgs no valor nominal é de aproximadamente
Provas
Questão presente nas seguintes provas
No amplificador descrito no circuito a seguir, VCC= 12 V, C1= 1 μF, R1= 10 kΩ, R2= 4,7 kΩ, Rc= 1 kΩ, transistor: 2N3904, rE= 100 Ω, RE=330 Ω, C2= 47 μF, C3= 10 μF.
Dado que Rs= 300 Ω, r’e= 3,5 Ω, β= 200, Cbe= 6 pF, Cbc= 3,5 pF e Av=9,7, a frequência de corte superior é de aproximadamente
Dado que Rs= 300 Ω, r’e= 3,5 Ω, β= 200, Cbe= 6 pF, Cbc= 3,5 pF e Av=9,7, a frequência de corte superior é de aproximadamente
Provas
Questão presente nas seguintes provas
Um transistor NMOS tipo enriquecimento com Vt = 0,7 V, conduz
uma corrente iD igual a 100 μA, quando VGS = VDS = 1,2 V.
A corrente iD quando VGS = 1,5 V e VDS = 3 V será de
A corrente iD quando VGS = 1,5 V e VDS = 3 V será de
Provas
Questão presente nas seguintes provas
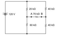
Considere o circuito a seguir:
A fonte de corrente do circuito equivalente de Norton para a carga de 70 kΩ é de aproximadamente
A fonte de corrente do circuito equivalente de Norton para a carga de 70 kΩ é de aproximadamente
Provas
Questão presente nas seguintes provas
As ligas ferromagnéticas são construídas para melhorar alguma
propriedade do ferro.
A liga que apresenta maior permeabilidade para baixa intensidade de campo magnético, usada principalmente em telecomunicações e na fabricação de núcleos de transformadores de rádio frequência (RF), relés, bobinas e blindagens magnéticas, é a
A liga que apresenta maior permeabilidade para baixa intensidade de campo magnético, usada principalmente em telecomunicações e na fabricação de núcleos de transformadores de rádio frequência (RF), relés, bobinas e blindagens magnéticas, é a
Provas
Questão presente nas seguintes provas
Para medir a permissividade dielétrica de materiais, um
engenheiro montou um capacitor isolado que, quando aplicado
uma carga Q e usando o ar como dielétrico, mede-se uma
diferença de potencial (ddp) de 20 V. Nos experimentos, o
engenheiro introduz o material dielétrico que deseja medir em
substituição ao ar, e mede novamente a ddp.
Em certo teste, encontrou 4 V e concluiu que a permissividade dielétrica do material testado vale aproximadamente (Dado: permissividade do vácuo = 8,85 x 10-12 F/m)
Em certo teste, encontrou 4 V e concluiu que a permissividade dielétrica do material testado vale aproximadamente (Dado: permissividade do vácuo = 8,85 x 10-12 F/m)
Provas
Questão presente nas seguintes provas
Devido a uma falha no processo de fabricação de uma junção PN
de silício, o lado P ficou sem dopagem.
Considerando a temperatura de 300 K, número intrínseco do silício de, aproximadamente, 10 e/cm3 e o número de doadores do lado N igual a 3 x 1016/cm3 , a voltagem na barreira de potencial dessa junção é de aproximadamente
(Obs: constante de Boltzman (k) = 1,38 x 10-23 J/K; carga do elétron (q) = 1,6 x 10-19 C; ln(3)≈1,1 e ln(10)≈2,3)
Considerando a temperatura de 300 K, número intrínseco do silício de, aproximadamente, 10 e/cm3 e o número de doadores do lado N igual a 3 x 1016/cm3 , a voltagem na barreira de potencial dessa junção é de aproximadamente
(Obs: constante de Boltzman (k) = 1,38 x 10-23 J/K; carga do elétron (q) = 1,6 x 10-19 C; ln(3)≈1,1 e ln(10)≈2,3)
Provas
Questão presente nas seguintes provas
Analise as sentenças que descrevem, em cada cenário, o fator que
mais influencia nas características do contato elétrico:
I. Para peças de interrupção no ar, destinadas a correntes nominais de até 100 A, o fator que mais influencia é a capacidade térmica;
II. Para correntes nominais com diversas centenas de amperes e manobras no ar, o fator mais importante é a oxidação;
III. Nos contatos imersos em óleo, o fator que mais impacta é a dissipação do calor.
Está correto o que se afirma em
I. Para peças de interrupção no ar, destinadas a correntes nominais de até 100 A, o fator que mais influencia é a capacidade térmica;
II. Para correntes nominais com diversas centenas de amperes e manobras no ar, o fator mais importante é a oxidação;
III. Nos contatos imersos em óleo, o fator que mais impacta é a dissipação do calor.
Está correto o que se afirma em
Provas
Questão presente nas seguintes provas
Em um teste realizado em um cabo de 1000 m de comprimento,
constituído de 19 fios de uma certa liga metálica de seção
transversal circular com 1,4 mm de diâmetro, observou-se uma
resistência à passagem de corrente contínua de 0,58 Ω.
Nestas condições, a resistividade da liga metálica do cabo é de aproximadamente
Nestas condições, a resistividade da liga metálica do cabo é de aproximadamente
Provas
Questão presente nas seguintes provas
Cadernos
Caderno Container