Foram encontradas 70 questões.
Observe o circuito pneumático na figura abaixo e responda a questão.

O elemento de trabalho utilizado no circuito é:
Provas
Observe o circuito pneumático na figura abaixo e responda a questão.

A representação algébrica dos movimentos a partir do acionamento manual é:
Provas
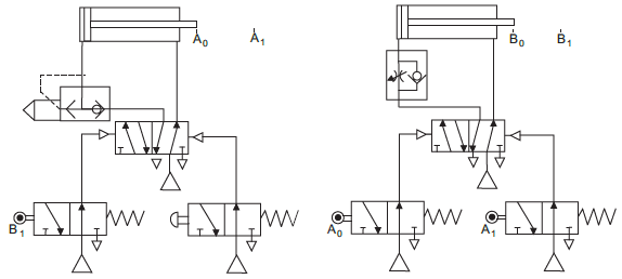
Observe o circuito pneumático na figura abaixo e responda a questão.

O controle de velocidade pode ser ajustado no(s) seguinte(s) movimento(s):
Provas
Observe o circuito elétrico abaixo e responda a questão.

O potencial elétrico no ponto “A”, em V, é igual a:
Provas
Observe o circuito elétrico abaixo e responda a questão.

A corrente que circula no circuito, em A, é igual a:
Provas
A manutenção que acompanha o desgaste da peça, visando a determinar o momento mais propício da substituição, é a:
Provas
Os equipamentos geradores de gases com pressão elevada são:
Provas
O desgaste do mancal de uma máquina rotativa desligada pode ser analisado de acordo com técnica de manutenção denominada:
Provas
A substituição de chavetas como um elemento de transmissão entre eixos e polias, permitindo que ela trabalhe com a finalidade típica deste elemento de máquina, é um serviço de manutenção do tipo:
Provas
São plásticos termoestáveis:
Provas
Caderno Container