Foram encontradas 70 questões.
Observe o circuito pneumático na figura abaixo e responda a questão.

O elemento de comando utilizado no circuito é:
Provas
Observe o circuito pneumático na figura abaixo e responda a questão.

A representação algébrica dos movimentos a partir do acionamento manual é:
Provas
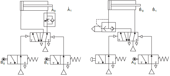
Observe o circuito pneumático na figura abaixo e responda a questão.

O controle de velocidade pode ser ajustado no(s) seguinte(s) movimento(s):
Provas
O latão classificado como ASTM 230 é uma liga com:
Provas
A chave de boca para extração ou aperto de porcas e cabeças de parafusos sextavados, para permitir o trabalho com o menor ângulo de giro disponível, deve ter uma inclinação da boca em relação à haste de:
Provas
Utilize a tabela abaixo que apresenta os resultados da medição por amostragem de um certo produto, para a solução da questão.
| 811 | 812 | 813 | 813 | 814 |
| 814 | 815 | 816 | 816 | 816 |
A variância dos resultados é:
Provas
Utilize a tabela abaixo que apresenta os resultados da medição por amostragem de um certo produto, para a solução da questão.
| 811 | 812 | 813 | 813 | 814 |
| 814 | 815 | 816 | 816 | 816 |
A média das leituras é:
Provas
Os instrumentos de medição de comprimento que possuem menores resoluções (sensibilidade) são:
Provas
Os instrumentos de medição de comprimento que possuem duas superfícies para tocar nos pontos da peça que se deseja medir são:
Provas
Um sistema de suspensão de cargas utiliza 4 cabos para dividir o peso de 6000 N em uma caixa. Cada um destes cabos faz um ângulo de 30º com a horizontal. O esforço de tração em cada um dos cabos é, em N, igual a:
Provas
Caderno Container