Foram encontradas 70 questões.
| Símbolo |
Descrição |
|
| I |
|
Elemento primário de vazão tipo placa de orifício |
| II |
|
Indicador de vazão de área variável tipo rotâmetro |
| III |
|
Elemento primário de vazão tipo turbina |
| IV |
|
Elemento primário de vazão tipo tubo Venturi |
| V |
|
Indicador, totalizador de vazão, tipo deslocamento positivo |
Segundo a norma ISA S 5.1 sobre simbologia da instrumentação, as associações corretas entre símbolo e descrição apresentadas na tabela são:
Provas
Com o objetivo de medir a temperatura de um fluido, um termopar Pt-PtRh(10%) está instalado em uma tubulação, na saída de um reator e imerso no fluido em escoamento. A tabela se refere à calibração do termopar.
| Temperatura (ºC) |
700 | 650 | 600 | 500 | 400 | 220 | 200 | 180 | 150 | 100 | 50 | 30 | 0 |
| d.d.p (mV) |
6,3 | 5,7 | 5,2 | 4,2 | 3,2 | 1,6 | 1,4 | 1,2 | 1,0 | 0,6 | 0,3 | 0,2 | 0,0 |
Considerando que a temperatura real do fluido é de 200 ºC e que a junção fria do termopar está a 30 ºC, a d.d.p, em mV, indicada pelo termopar, é:
Provas

Na figura acima está representada a área gráfica do AutoCAD, referenciada ao sistema de coordenadas cartesiano e com orientações angulares, seguindo as adotadas na trigonometria. Para traçar uma linha do ponto A, com coordenadas (0;0) até o ponto B (2;2), devem ser dados os seguintes comandos:
Provas
Segundo a norma ISA S 5.1, o símbolo para um atuador tipo cilindro simples é:
Provas

A tabela apresenta os símbolos das linhas de instrumentação citadas a seguir:
I - sinal elétrico;
II - sinal pneumático;
III - sinal de conexão interna (software);
IV - tubo capilar.
A seqüência correta, de cima para baixo, que corresponde aos significados dos símbolos apresentados na tabela é:
Provas
Na instalação de um transmissor de pressão diferencial tipo célula capacitiva, para medição de um nível em tanque de água aberto à atmosfera, as tomadas de pressão da célula devem estar assim conectadas :
Provas

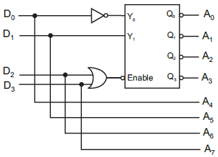
A figura apresenta um circuito decodificador de 2 entradas e 4 saídas, onde Y1 é o bit mais significativo da entrada. Os sinais D0 a D3 comandam o decodificador, gerando endereços com 8 bits através dos sinais A7 a A0, onde A7 é o bit mais significativo. Considerando que o decodificador esteja habilitado e que o sinal D1 encontra-se em nível lógico 1, os dois possíveis endereços obtidos na saída, em hexadecimal, serão:
Provas
No que se refere às fibras ópticas e aos LED’s, é INCORRETO afirmar que:
Provas
Com relação às regras de sintonia de controladores PID propostas por Ziegler-Nichols, é correto afirmar que:
Provas

Considere o programa em diagrama de contatos da figura acima, implementado num CLP. Em t = t0, todas as variáveis encontram-se em nível lógico 0. O sinal X1 sofre as variações para t > t0, indicadas na figura. Considerando o ciclo de varredura muito menor que a largura dos pulsos mostrados na figura, os níveis lógicos de Y1 para os tempos t1, t2 e t3, respectivamente, são:
Provas
Caderno Container