Foram encontradas 3.569 questões.
Dois trens movem-se, em trilhos paralelos, a 20m/s, em relação a um referencial fixo na Terra, e estão se aproximando um do outro. Quando a 200m de distância um do outro, um deles apita a 440 Hz. Supondo que o ar esteja parado e que a velocidade do som no ar seja 340 m/s, que freqüência será ouvida por uma pessoa no outro trem?
Provas
Uma máquina térmica absorve 56,8 kJ e libera 32,4 kJ de calor em cada ciclo. Qual é o trabalho efetuado pela máquina em cada ciclo?
Provas
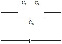
A diferença de potencial fornecida pela bateria do circuito da figura é 12V. Suponha as capacitâncias iguais a !$ C_1=1 \mu F !$, cargas, em !$ \mu C !$, nos capacitores !$ C_1 !$ e !$ C_3 !$?

Provas
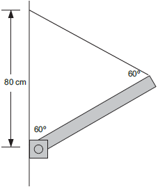
Uma barra AB homogênea, com 250g e 80cm de comprimento, tem uma de suas extremidades engastada em uma parede e a outra extremidade sustentada por um fio inextensível e de peso desprezível, como mostra a figura. Considerando que a aceleração da gravidade vale 10m/s2, a intensidade da reação R, exercida pela parede sobre a barra, e o ângulo que essa reação faz com a parede valem, respectivamente:

Provas
Um bloco move-se, devido à ação de uma força externa F, sobre uma superfície horizontal perfeitamente lisa. No instante t = 0, F vale 10N e, a cada metro, essa força F perde intensidade a uma taxa constante, de tal forma que a força F, em N, em função da distância percorrida d, em metros, é dada por F(d) = 10.e−d/2
O trabalho total realizado pela força F nesse movimento é:

Provas
A 10m de profundidade, no interior de um líquido cujo índice de refração é 2, está uma fonte luminosa na forma de um disco com !$ \sqrt3 !$ metros de diâmetro. Um disco opaco deve ser colocado na superfície que separa o líquido do ar de forma que nenhum dos raios luminosos produzidos por essa fonte consiga emergir para o ar. Com relação ao diâmetro desse anteparo, podemos afirmar que vale:
Provas
Três solenóides A, B e C, idênticos, estão ligados em série no circuito como mostra a figura.

No interior do solenóide A, há uma barra de ferro. No interior do solenóide B, há uma barra de vidro e, no interior do solenóide C, uma barra de permalloy (liga de ferro e níquel). Os solenóides estão próximos a um punhado de limalha de ferro despejada sobre uma mesa horizontal. Podemos afirmar que:
Provas
Um gerador de 12V mantém uma corrente elétrica em um solenóide de resistência R = 5,5!$ Ω !$ e 5 espiras por cm. Pode-se afirmar que a intensidade do vetor indução magnética no interior desse solenóide vale, em teslas:

Provas
Dois projéteis P1 e P2 são lançados simultaneamente de uma mesma posição de um plano horizontal com velocidades iniciais v1 e v2. O projétil P1 foi disparado com um ângulo de aclive igual a !$ \alpha !$ enquanto P2 foi disparado com ângulo de aclive !$ \beta !$. Observou-se que ambos atingiram a mesma altura máxima H. Nessas condições, considerando que a resistência do ar é desprezível e que o campo gravitacional é uniforme, pode-se afirmar que:
Provas
O gráfico abaixo corresponde a uma função de R em R.

Essa função pode ser:
Provas
Caderno Container