Foram encontradas 50 questões.
A interligação de duas centrais telefônicas de grande porte ocorre através do uso de um enlace digital que trafega por um cabo coaxial. Neste enlace são enviados, em cada direção, a voz digitalizada de 100 usuários. Cada sinal de voz é amostrado exatamente na Taxa de Nyquist, após passar por um filtro passa-baixas com 3 KHz de corte. Em seguida, o sinal é codificado em PCM com 8 bits por amostra, resultando num fluxo de bits no formato NRZ. Após este estágio, cada sinal é multiplexado com os demais em um TDM síncrono, que opera sem tempo de guarda e com overhead nulo. O fluxo de bits dos 100 usuários combinados apresenta, em Mbps, uma taxa de
Provas
A figura abaixo apresenta a sinalização elétrica de 5 (cinco) bits em uma rede Ethernet com configuração 10BaseT. A tensão do sinal é representada no eixo V, e T é a duração de um bit.

O tipo de codificação de linha representado e a correspondente seqüência de bits (da esquerda para direita e segundo a norma IEEE 802.3), respectivamente, são:
Provas
Um equipamento de refletometria óptica (OTDR) foi utilizado para determinar alguns parâmetros de um lance de fibra óptica entre duas localidades. A única informação previamente conhecida é seu índice de refração de grupo, igual a 1,5. Da resposta do equipamento, foi possível verificar que o lance contém duas emendas, com perda média de 0,5dB em cada. O pulso recebido chegou ao equipamento 50 !$ \mu !$s após ter sido transmitido e foi atenuado em 5 dB com relação ao pulso original. Em função desses dados, o comprimento total do lance, em km, e a atenuação específica da fibra, em dB/km, respectivamente, são
Provas
As técnicas de acesso adotadas em sistemas de telefonia celular GSM e em redes locais Ethernet (IEEE 802.3), respectivamente, são:
Provas
O esquema de modulação digital mais apropriado para operar de forma não coerente na recepção, ou seja, sem recuperar a portadora, é o
Provas

A tabela acima apresenta um esquema de verificação de paridade bidimensional. Os bits apresentados foram detectados por um receptor depois da transmissão por um canal sujeito a erros. A tabela contém bits de informação e de paridade. Os bits de paridade são aqueles nas últimas linha e coluna. Considerando-se que o esquema de paridade é par, verifica-se que
Provas
Um enlace de comunicação digital opera com uma modulação 8-PSK e velocidade de transmissão de 4800 bits por segundos. Neste caso, a velocidade de transmissão, em baud é
Provas

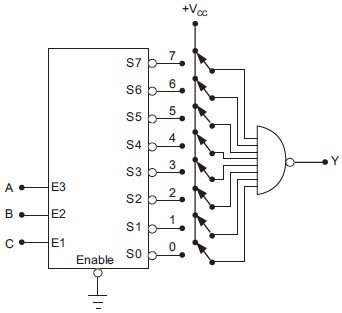
A figura acima apresenta um circuito digital programável, utilizando um decodificador de 3 (três) entradas e 8 (oito) saídas. Cada uma das chaves ilustradas na figura tem duas posições, conectadas à barra de +VCC ou ao decodificador. Todas as chaves encontram-se inicialmente conectadas à barra de tensão +VCC (nível lógico 1). O pino E1 representa o bit menos significativo de entrada. Para que a expressão booleana do sinal Y seja !$ \overline{\text{A}}\text{B} + \overline{\text{B}}\overline{\text{C}} !$, quais as chaves que deverão ser reposicionadas para a conexão com o decodificador?
Provas

A figura acima apresenta dois Mapas de Karnaugh. O primeiro se refere ao sinal digital Y em função dos sinais binários A, B e C, enquanto o segundo se refere ao sinal Z em função dos sinais binários Y, D e E. A expressão booleana do sinal Z diretamente relacionada aos sinais binários A, B, C, D e E é
Provas
Dentre os barramentos a seguir, qual o que possui a maior capacidade de comunicação, em Mb /s?
Provas
Caderno Container