Foram encontradas 120 questões.
A área gravada por restrições legais ou contratuais de um loteamento, desde que devidamente averbada junto ao Registro de Imóveis, na qual não é permitido construir, é denominada área
Provas
A viga e os pilares de concreto armado abaixo estão esquematizados com cotas em centímetros.

O vão efetivo da viga, em centímetros, é
Provas

É(são) armada(s) em 2 direções APENAS a(s) laje(s)
Provas

Na execução da concretagem das lajes L1, L2 e L3, devese tomar os cuidados necessários para que a ferragem negativa não saia de suas posições. Tratando-se de uma estrutura com lajes contínuas sem engaste nas vigas externas e apoiadas nas vigas representadas pelas linhas escuras, essas ferragens negativas encontram-se APENAS na(s) faixa(s)
Provas
A parede de uma obra, cujo emboço ainda estava úmido, recebeu uma camada de pintura. Nessas condições, qual anomalia pode ocorrer após algum tempo?
Provas
A figura abaixo representa um conduto livre.

Sendo P a seção molhada, o raio hidráulico, em metros, vale
Provas
A respeito dos projetos de pontes de concreto armado e de concreto protendido, analise as afirmativas a seguir.
I – Os pilares passíveis de serem atingidos por veículos rodoviários em movimento devem ter sua segurança verificada quanto aos choques assim provocados.
II – Os pilares passíveis de serem atingidos por embarcações em movimento devem ter sua segurança verificada quanto aos choques assim provocados.
III – As verificações de segurança quanto aos choques nos pilares passíveis de serem atingidos por veículos ou embarcações em movimento são dispensadas, se no projeto forem incluídos dispositivos capazes de proteger a estrutura contra esse tipo de acidente.
Segundo a NBR 7187/2003 (Projeto de pontes de concreto armado e de concreto protendido – Procedimento), é(são) verdadeira(s) a(s) afirmativa(s):
Provas

Analisando o diagrama de momentos fletores, conclui-se que no trecho
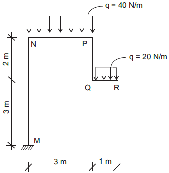
Provas

O módulo do Momento Fletor, no meio do trecho !$ overline{NP} !$, em N.m, vale,
Provas

A variação do esforço cortante no trecho !$ overline{QR} !$, em N, vale
Provas
Caderno Container