Foram encontradas 120 questões.

A figura acima apresenta um esquema de medição de vazão mássica de um fluido incompressível num duto. O orifício A é perpendicular à vazão do fluido. B é um tubo Pitot com extremidade sensora posicionada na direção de vazão do fluido, conforme mostra a figura. M é um manômetro com suas extremidades conectadas às saídas de A e B. Considere que o fluido possua peso específico 1,28 × 103 kg/m3 e que a aceleração da gravidade seja 10 m/s2. Se a leitura de pressão no manômetro for 40 kPa, a velocidade do fluido no ponto O, em m/s, será:
Provas
Um transdutor piezoelétrico possui capacitância de 1000 pF e sensibilidade de carga de 0,4×10-8 C/mm. O osciloscópio utilizado para as medidas possui uma impedância de entrada de 1 MW em paralelo com 50 pF e o cabo de conexão possui uma capacitância de 200 pF.
Para o sistema de medida completo, a sensibilidade de alta frequência, em V/mm, e a constante de tempo, em milissegundos, são, respectivamente,
Provas

No programa LADDER da figura acima, X1, Y1 e C1 são variáveis booleanas na memória de um CLP, e TON é um temporizador com atraso no acionamento, com tempo especificado em segundos. Considere que, em t = 0, todas as variáveis estejam em nível lógico 0 e o temporizador, zerado. Se X1 possui o comportamento especificado no gráfico, o tempo total, em segundos, em que Y1 permanece em nível lógico 1 no intervalo de 0 a 15s, é
Provas

O Grafcet da figura acima é tipicamente utilizado no controle de sistemas de fabricação sequenciais. As entradas são os sinais binários P e L. A notação !$ uparrow !$X indica a detecção da borda de subida do sinal binário X, isto é, a passagem do nível lógico 0 para o nível lógico 1. Considerando que em t = 0 apenas a etapa 1 estava ativa e que as entradas se comportaram de 0 a 13 s, conforme indicado nos gráficos, as etapas ativas em t = 13 s são:
Provas

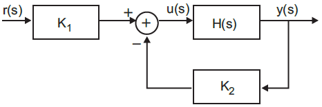
Um sistema linear com função de transferência H(s) = !$ { large 3 over s^2 , + , 4s , - , 5} !$ está submetido a uma malha de controle, conforme indicado no diagrama de blocos acima, em que K1 e K2 são ganhos (constantes reais). As especificações para o sistema em malha fechada são:
- frequência natural não amortecida de !$ sqrt{2} !$ rad/s;
- erro de estado estacionário nulo para a resposta ao degrau em r(t).
Os valores de K1 e K2 que atendem às especificações são, respectivamente,
Provas

A figura ilustra uma planta industrial controlada por meio de um compensador H(s). O modelo da planta está representado na figura por sua função de transferência.
Considere que tenha sido utilizado o compensador H(s) = !$ { large 5(s , + , 10) over s} !$. Com relação à capacidade da saída y(t) de o sistema em malha fechada rastrear os sinais aplicados em u(t), caso seja aplicado um sinal do tipo
Provas

A figura ilustra uma planta industrial controlada por meio de um compensador H(s). O modelo da planta está representado na figura por sua função de transferência.
Para estabilizar a planta e fazer com que o lugar das raízes (root locus) passe em s = - 3, o compensador utilizado deverá ser:
Provas

A figura ilustra uma planta industrial controlada por meio de um compensador H(s). O modelo da planta está representado na figura por sua função de transferência.
Se for utilizado um compensador estático, isto é, H(s) = K, com K > 0, então a planta
Provas
Um sistema linear e discreto é modelado em espaço de estado com as seguintes equações:
!$ X , (k , + , 1) , = , egin {bmatrix} 0 ,, 1 \ a ,, b end {bmatrix} , X (k) , + , egin {bmatrix} alpha \ eta end {bmatrix} , u , (k) , y(k) , = , [1 ,, 0] , x , (k) !$
Este sistema é não controlável nos pontos de uma reta do plano a x b, cuja equação é dada por:
a = Mb + N
As constantes M e N são, respectivamente,
Provas
Um sistema linear apresenta a seguinte configuração em malha fechada:

Aplicando um impulso unitário na entrada deste sistema, o sinal y(t) de saída será da forma:
y(t) = !$ Me^{ - sigma , t} !$ sen(!$ omega !$t)
O valor da constante M na expressão da resposta y(t) em função do ganho K é:
Provas
Caderno Container