Foram encontradas 100 questões.
Uma das características da família de circuitos lógicos C-MOS é que, em geral,
Provas

A expressão booleana correspondente à tabela verdade acima e representada como a soma de mintermos é descrita por
Provas
Os termopares são utilizados para medir
Provas

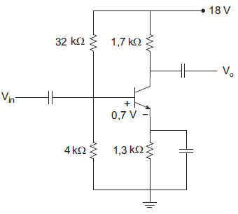
O ganho A = Vo/Vin do circuito acima é dado, aproximadamente, por
Provas
Dado o circuito abaixo, a corrente de saturação do coletor e a tensão de corte entre coletor e emissor são, respectivamente,

Provas
O retificador em ponte abaixo apresenta uma tensão de pico VAB = 12 V no secundário do transformador.

Sabe-se que o capacitor foi escolhido de forma a se obter um ripple de 10% da tensão de pico na carga RL. Então, o valor e a frequência do ripple são, respectivamente,
Provas
No circuito ao lado, a fonte CA possui uma tensão de pico de 10 V e frequência de 1Hz, e os diodos zener uma tensão de condução direta de 0,7 V.

A forma de onda da tensão em R2 será, então,
Provas
O transistor do circuito abaixo apresenta uma tensão de condução VBE = 0,7 V.

A corrente de coletor e tensão coletor-emissor no ponto de operação são, respectivamente,
Provas
Quanto à utilização do voltímetro, deve-se considerar que
Provas
Uma fonte é utilizada como gerador de clock para um circuito sequencial síncrono. O circuito não está funcionando corretamente, pois o tempo de transição entre os estados está maior que o esperado. Após uma análise do circuito, suspeita-se que o problema está no período do sinal, na saída do gerador de clock. Para medir o período deste sinal, deve-se utilizar, preferencialmente um
Provas
Caderno Container