Magna Concursos

Foram encontradas 100 questões.

2880873 Ano: 2010
Disciplina: Engenharia Elétrica
Banca: CESGRANRIO
Orgão: Petrobrás

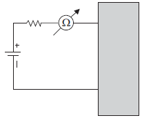
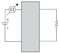
Deseja-se medir um resistor utilizando um ohmímetro. Dentre as representações abaixo, qual corresponde à forma correta de se utilizar o ohmímetro?

 

Provas

Questão presente nas seguintes provas
2880872 Ano: 2010
Disciplina: Engenharia Elétrica
Banca: CESGRANRIO
Orgão: Petrobrás

Deseja-se medir o período e a amplitude de um sinal senoidal na saída de um circuito. Para isso foi utilizado um osciloscópio que apresentou em sua tela o gráfico ao lado. Qual regulagem no osciloscópio deve ser feita para realizar a medição?

 

Provas

Questão presente nas seguintes provas
2880871 Ano: 2010
Disciplina: Engenharia Elétrica
Banca: CESGRANRIO
Orgão: Petrobrás

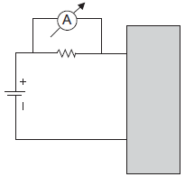
Deseja-se medir a corrente em um resistor. A forma correta de se ligar o amperímetro é descrita por

 

Provas

Questão presente nas seguintes provas
2880870 Ano: 2010
Disciplina: Engenharia Elétrica
Banca: CESGRANRIO
Orgão: Petrobrás

Enunciado 3090242-1

Considerando o amplificador operacional ideal, a tensão de saída Vo no circuito abaixo é dada por:

 

Provas

Questão presente nas seguintes provas
2880869 Ano: 2010
Disciplina: Engenharia Elétrica
Banca: CESGRANRIO
Orgão: Petrobrás

A atenuação no espaço livre em dB a uma distância d de uma antena isotrópica que irradia um sinal de comprimento de onda !$ lambda !$ é dada por

 

Provas

Questão presente nas seguintes provas
2880868 Ano: 2010
Disciplina: Engenharia Elétrica
Banca: CESGRANRIO
Orgão: Petrobrás

Um transmissor foi ligado a uma antena através de um cabo. Após certo tempo de operação, alguns componentes eletrônicos do transmissor foram danificados devido à excessiva reflexão do sinal, concluindo-se que havia um mau casamento de impedância entre o cabo e a antena. Calculou- se, então, o VSWR para cinco cabos com impedâncias diferentes, obtendo-se os seguintes valores:

Cabo VSWR
A

2.5:1

B

4:1

C

1.8:1

D

1.5:1

E

2:1

O cabo que deve ser utilizado para se obter um melhor casamento de impedância é

 

Provas

Questão presente nas seguintes provas
2880867 Ano: 2010
Disciplina: Engenharia Elétrica
Banca: CESGRANRIO
Orgão: Petrobrás

Enunciado 3090217-1

O diagrama acima mostra um esquema genérico de um

 

Provas

Questão presente nas seguintes provas
2880474 Ano: 2010
Disciplina: Eletroeletrônica
Banca: CESGRANRIO
Orgão: Petrobrás

Enunciado 3090216-1

A figura acima representa o

 

Provas

Questão presente nas seguintes provas
2879951 Ano: 2010
Disciplina: Matemática
Banca: CESGRANRIO
Orgão: Petrobrás
Provas:

Leonardo pegou um baralho com 52 cartas (13 de cada naipe), embaralhou-as e, em seguida, fez, sem olhar, um monte com as 52 cartas dispostas para baixo. Se Leonardo retirar a primeira carta desse monte, qual a probabilidade de que esta não seja vermelha e nem apresente um número par?

 

Provas

Questão presente nas seguintes provas
2879950 Ano: 2010
Disciplina: Estatística
Banca: CESGRANRIO
Orgão: Petrobrás
Provas:

O gráfico abaixo apresenta os percentuais de acerto dos candidatos do concurso Z ao responderem às 5 questões de uma prova, todas de múltipla escolha.

Enunciado 3089996-1

Sabendo-se que 24.000 candidatos acertaram mais da metade das questões, mas não gabaritaram a prova, quantos candidatos há no concurso Z?

 

Provas

Questão presente nas seguintes provas