Foram encontradas 100 questões.

A figura acima apresenta a pirâmide de automação que possui diferentes níveis em uma planta industrial. Com base em sua análise, conclui-se que é INCORRETO afirmar que
Provas
Atualmente, a manutenção centrada na confiabilidade tem sido aplicada em diversos ramos da atividade industrial. Uma de suas etapas é a análise de modos de falha e efeitos, na qual são identificadas e documentadas todas as funções e seus modos de falha, bem como os efeitos adversos produzidos por elas. Durante esta etapa, cita(m)-se, como aspecto(s) documentado(s),
Provas
Um dispositivo de medição de temperatura formado por uma liga cobre-níquel possui faixa de utilização compreendida entre −299,2 ºF e 698,0 ºF. Os valores destas temperaturas na escala Celsius são, respectivamente,
Provas
Para a leitura de nível de tanques que contenham líquidos com alta viscosidade, adota-se o medidor de nível por medição indireta do tipo
Provas
Associe os instrumentos de medição às correspondentes grandezas medidas.
I – Manômetro
II – Termopar
III – Placa de orifício
P – Vazão
Q – Potência
R – Temperatura
S – Pressão
A associação correta é
Provas
Um profissional capacitado para medir a pressão de determinado equipamento reconhece que NÃO é uma unidade de pressão
Provas

Pelos dados da tabela de afastamentos acima, o ajuste 55 F7/h6 tem as seguintes características:
|
Ajuste |
Tipo |
Folga (ou interferência) máxima [!$ mu !$m] |
Folga (ou interferência) mínima [!$ mu !$m] |
Tolerância |
Provas

No quadro acima são apresentados 4 ícones correspondentes a 4 ferramentas do software AutoCAD. Cada uma dessas ferramentas corresponde a
| I | II | III | IV |
Provas

No quadro acima são apresentadas algumas das representações de válvulas utilizadas para o desenho isométrico de tubulações industriais. Cada uma dessas válvulas corresponde a
| I | II | III | IV | V |
Provas

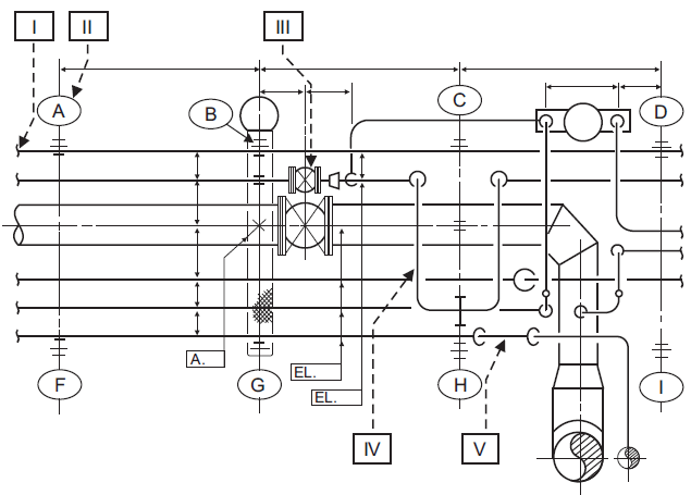
Os 5 elementos identificados na planta de tubulações ilustrada acima são:
| I | II | III | IV | V |
Provas
Caderno Container