Foram encontradas 100 questões.
Analise os seguintes processos utilizados na preparação de amostras de solos para ensaios de compactação:
I – com secagem prévia até a umidade higroscópica;
II – a 5% abaixo da umidade ótima presumível;
III – a 3% acima da umidade ótima presumível.
Segundo a NBR 6457/1986 (Amostras de Solo – Preparação para ensaios de compactação e ensaios de caracterização), está(ão) correto(s) o(s) processo(s)
Provas

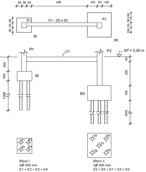
Dados:
- BI e BII – Blocos de coroamento.
- NT = Nível do Terreno = 0,00 m
- Cotas em centímetros, exceto onde indicada outra unidade.
- Nas escavações, considerar cortes verticais.
- Para qualquer cálculo, considerar apenas as medidas geométricas fornecidas, sem qualquer acréscimo ou redução, exceto se solicitado na questão.
- Considerar, para qualquer cálculo, que as estacas possuem seções transversais constantes, conforme diâmetros indicados, sem base alargada.
- Considerar !$ pi !$ = 3,14
Sob o aspecto estrutural, a viga V1
Provas

Dados:
- BI e BII – Blocos de coroamento.
- NT = Nível do Terreno = 0,00 m
- Cotas em centímetros, exceto onde indicada outra unidade.
- Nas escavações, considerar cortes verticais.
- Para qualquer cálculo, considerar apenas as medidas geométricas fornecidas, sem qualquer acréscimo ou redução, exceto se solicitado na questão.
- Considerar, para qualquer cálculo, que as estacas possuem seções transversais constantes, conforme diâmetros indicados, sem base alargada.
- Considerar !$ pi !$ = 3,14
Considere os seguintes alinhamentos, todos paralelos e equidistantes entre si:
- Face interna do Bloco BII, perpendicular a V1
- Eixo E5E8
- Eixo E7
- Eixo E6E9
- Face externa do Bloco BII, perpendicular a V1
Nessa condição, qual a distância livre interna, em metros, entre as geratrizes das estacas E5 e E6?
Provas

Dados:
- BI e BII – Blocos de coroamento.
- NT = Nível do Terreno = 0,00 m
- Cotas em centímetros, exceto onde indicada outra unidade.
- Nas escavações, considerar cortes verticais.
- Para qualquer cálculo, considerar apenas as medidas geométricas fornecidas, sem qualquer acréscimo ou redução, exceto se solicitado na questão.
- Considerar, para qualquer cálculo, que as estacas possuem seções transversais constantes, conforme diâmetros indicados, sem base alargada.
- Considerar !$ pi !$ = 3,14
Na execução da forma lateral da viga V1, serão utilizados painéis de 0,50 m x 1,00 m, que consomem, cada um, 0,80m2 de madeira para serem executados e estruturados. Considerando o uso desses painéis, o consumo de madeira nessa atividade será, em metros quadrados, de
Provas

Dados:
- BI e BII – Blocos de coroamento.
- NT = Nível do Terreno = 0,00 m
- Cotas em centímetros, exceto onde indicada outra unidade.
- Nas escavações, considerar cortes verticais.
- Para qualquer cálculo, considerar apenas as medidas geométricas fornecidas, sem qualquer acréscimo ou redução, exceto se solicitado na questão.
- Considerar, para qualquer cálculo, que as estacas possuem seções transversais constantes, conforme diâmetros indicados, sem base alargada.
- Considerar !$ pi !$ = 3,14
Durante a concretagem das estacas E5 a E9 foi autorizada a paralisação da concretagem a 4,00 m abaixo do NT. Considerando que, por detalhamento das fundações, a cota de arrasamento das estacas é de 10 cm acima do fundo dos blocos, conclui-se que o volume de concreto total a ser retirado, referente às estacas, em metros cúbicos, encontra- se entre
Provas

Dados:
- BI e BII – Blocos de coroamento.
- NT = Nível do Terreno = 0,00 m
- Cotas em centímetros, exceto onde indicada outra unidade.
- Nas escavações, considerar cortes verticais.
- Para qualquer cálculo, considerar apenas as medidas geométricas fornecidas, sem qualquer acréscimo ou redução, exceto se solicitado na questão.
- Considerar, para qualquer cálculo, que as estacas possuem seções transversais constantes, conforme diâmetros indicados, sem base alargada.
- Considerar !$ pi !$ = 3,14
Considere uma taxa de armação de 150 kg de aço por metro cúbico de concreto para as estacas E1 a E4. Em um cálculo estimativo do consumo de aço para as 4 estacas, é necessário ser incrementado 10% do peso total para cortes e sobras. Desta forma, a quantidade total de aço, para atender ao cálculo, em kg, vale
Provas

Dados:
- BI e BII – Blocos de coroamento.
- NT = Nível do Terreno = 0,00 m
- Cotas em centímetros, exceto onde indicada outra unidade.
- Nas escavações, considerar cortes verticais.
- Para qualquer cálculo, considerar apenas as medidas geométricas fornecidas, sem qualquer acréscimo ou redução, exceto se solicitado na questão.
- Considerar, para qualquer cálculo, que as estacas possuem seções transversais constantes, conforme diâmetros indicados, sem base alargada.
- Considerar !$ pi !$ = 3,14
O volume de concreto necessário para preencher P1 e P2 (ambos do topo dos blocos de coroamento até o topo da viga V1) somado ao destinado à viga V1, em metros cúbicos, vale
Provas

Dados:
- BI e BII – Blocos de coroamento.
- NT = Nível do Terreno = 0,00 m
- Cotas em centímetros, exceto onde indicada outra unidade.
- Nas escavações, considerar cortes verticais.
- Para qualquer cálculo, considerar apenas as medidas geométricas fornecidas, sem qualquer acréscimo ou redução, exceto se solicitado na questão.
- Considerar, para qualquer cálculo, que as estacas possuem seções transversais constantes, conforme diâmetros indicados, sem base alargada.
- Considerar !$ pi !$ = 3,14
Havendo uma folga de 50 centímetros em todo o perímetro da escavação, o volume geométrico a ser escavado para execução do bloco de coroamento BI, em metros cúbicos, vale
Provas
Na tabela abaixo, estão relacionadas amostras de concreto fresco e seus respectivos tempos de coleta.
|
Amostra nº |
Tempo (minutos) |
| 1 | 1 |
| 2 | 3 |
| 3 | 5 |
| 4 | 10 |
| 5 | 15 |
| 6 | 20 |
| 7 | 22 |
| 8 | 25 |
| 9 | 30 |
| 10 | 40 |
| 11 | 55 |
| 12 | 60 |
Considere o procedimento para a coleta e a preparação de amostras de concreto fresco para realização de ensaios de determinação das suas propriedades. Na moldagem de corpos de prova para o ensaio de resistência, após a obtenção da amostra composta e terem sido tomadas todas as outras providências, deverão ser consideradas, segundo a NBR NM 33:1998 (Concreto – Amostragem de concreto fresco), APENAS as amostras números
Provas
Foi realizada a extração de amostras não alteradas do concreto de uma estrutura para ensaio de resistência à compressão nos testemunhos. Analisando as amostras extraídas, foram encontrados testemunhos com:
I – pedaços de madeira em seu interior;
II – barras de aço em direção ortogonal (70º a 110º) ao seu eixo, com área da seção menor que 4% da seção do testemunho;
III – barras de armaduras cruzadas dentro do terço médio da altura do testemunho.
Pode(m) ser aceito(s) para realização do ensaio, o(s) testemunho(s)
Provas
Caderno Container