Foram encontradas 100 questões.

O símbolo da figura acima representa um
Provas
As características dos equipamentos de um processo produtivo moderno podem definir diferentes critérios para a seleção do método de manutenção a ser utilizado. Na escolha do método de manutenção, diversas considerações são realizadas dentro dos novos conceitos de manutenção. O método que consiste na aplicação de um programa regular de inspeção, ajustes, limpeza, lubrificação, troca de peças, calibração e reparo de componentes e equipamentos é denominado manutenção
Provas

A figura acima mostra uma estrutura de um cabo isolado. Observando a numeração indicada em cada camada do cabo, complete as lacunas abaixo, relacionando o tipo de camada com o número indicado.
( ) Blindagem Interna
( ) Proteção
( ) Isolação
( ) Condutor
( ) Blindagem Externa
A sequência correta, de cima para baixo, é
Provas

Para garantir que o capacitor no circuito da figura acima se carregue completamente, o tempo mínimo, em ms, que a chave “ch” deve permanecer fechada, é
Provas
O valor da potência necessária para realizar um trabalho de 7.200 J em uma hora, em W, é
Provas

A tabela verdade correspondente ao circuito lógico acima é dada por
Provas
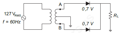
O retificador de onda completa abaixo apresenta uma tensão de pico VAB = 20 V no secundário do transformador.

Com as informações da figura, conclui-se que o valor e a frequência da tensão de pico na carga RL são, respectivamente,
Provas

A figura acima apresenta um sistema composto por uma bomba (b), uma caixa d’água com uma boia (x) e uma cisterna com uma boia (y), ambas as boias com contatos normalmente fechados na ausência de água. Caso o nível da caixa abaixe, a bomba deverá ligar desde que tenha água na cisterna. Qual programa em Ladder corresponde a este sistema?
Considere:
X, Y e B são as entradas do controlador lógico programável e x, y e b são os dispositivos de campo.
X → x
Y → y
B → b
Provas

A figura acima apresenta um diagrama lógico com portas OU e E. Simplificando e convertendo em linguagem Ladder, corresponderá a
Provas
A aplicação da NBR 5.410 não dispensa o atendimento a outras normas complementares, aplicáveis a instalações em locais específicos. Dentre as normas consideradas complementares, está a NBR 5.418 que dispõe sobre
Provas
Caderno Container