Foram encontradas 100 questões.
A unidade flutuante semelhante a uma balsa equipada com uma estrutura treliçada de apoio (pernas com acionamento hidráulico ou mecânico) capaz de movimentar-se até o leito submarino, possibilitando elevar-se a uma altura acima do nível do mar, é uma plataforma do tipo
Provas
Existem dois tipos principais de soldagem por arco elétrico. O primeiro usa o arco apenas como fonte de calor. O segundo gera o calor e transfere o material do eletrodo para a área de soldagem. São exemplos do primeiro e do segundo tipo, respectivamente,
Provas

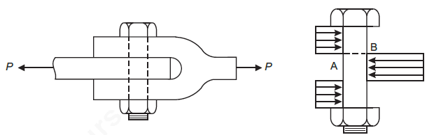
A figura acima apresenta duas peças unidas por um pino de aço de diâmetro D que são tracionadas por uma carga P. No pino, mostrado em detalhe à direita, o valor da tensão de cisalhamento, na área da seção transversal AB, é
Provas
Relacione as simbologias dos elementos utilizados em desenhos de estruturas navais, na coluna da direita, com os seus respectivos significados indicados na coluna da esquerda.
I – Emenda de chapa
II – Mudança de plano
III – Peça não passante

Estão corretas as associações
Provas
O mecanismo de proteção anticorrosiva em que a tinta de fundo contém pigmentos que dão origem à formação de uma camada passiva sobre a superfície do metal, impedindo a sua passagem para a forma iônica, denomina-se
Provas
Para a proteção catódica de uma estrutura metálica de aço imersa em água salgada podem ser utilizados, normalmente, como anodos galvânicos,
Provas
O ensaio não destrutivo, que para ser aplicado a chapas de aço, é necessário se ter acesso às duas faces da chapa, é o (a)
Provas
O paquímetro apresentado na figura a seguir foi utilizado na medição do diâmetro externo de um eixo.

Considerando a escala em milímetros e o nônio com 10 divisões, o valor da leitura do diâmetro, em milímetros, é igual a
Provas
O Coeficiente de Seção Mestra é calculado
Provas
São propriedades do material que podem ser medidas pelo ensaio de tração:
Provas
Caderno Container