Foram encontradas 100 questões.

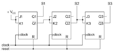
A figura acima apresenta um contador digital utilizando flipflops do tipo JK, cujo estado é definido por (S1,S2,S3). O estado inicial desse contador é obtido pelo acionamento do sinal de reset.
O segundo estado desse contador, obtido após a transição provocada pelo primeiro período de clock, é
Provas

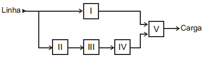
A figura acima apresenta um diagrama de blocos de um sistema no-break. Os blocos representados por I, II, III, IV e V, nessa ordem, correspondem aos seguintes dispositivos do sistema:
Provas

A figura acima mostra a tela de um osciloscópio com dois sinais senoidais de tensão. O sinal vi(t) corresponde à entrada e o sinal vo(t) à saída de um circuito elétrico. O osciloscópio está calibrado em amplitude com 10 mV por divisão e, no tempo, com 5 ms por divisão. Nessa perspectiva, considere as afirmativas a seguir.
I - O circuito é um amplificador com ganho aproximado igual a 2.
II - O sinal de saída está adiantado 90º em relação ao sinal de entrada.
III - Os sinais apresentam a mesma frequência de 100 Hz.
É(São) correta(s) as afirmativa(s)
Provas
Disciplina: Engenharia de Telecomunicações
Banca: CESGRANRIO
Orgão: Petrobrás
Um multiplexador TDM tem a capacidade de multiplexar dezesseis conexões de 1kbps. O intervalo de tempo correspondente a um bit, na saída do multiplexador TDM, em microssegundos, é
Provas
Disciplina: Engenharia de Telecomunicações
Banca: CESGRANRIO
Orgão: Petrobrás

A curva da taxa de erro de bit (BER, do termo em inglês Bit Error Rate), em função da RSR (Razão Sinal Ruído), expressa em dB, de um determinado sistema de transmissão, é aproximada pela reta mostrada na figura. Sabendose que os eixos da figura (RSR e BER) estão em escala linear, o valor de RSR, em dB, para se obter uma taxa de erro de bit de 10-3, é, aproximadamente,
Provas
Disciplina: Engenharia de Telecomunicações
Banca: CESGRANRIO
Orgão: Petrobrás
Na hierarquia digital de transmissão telefônica T1, o quadro TDM é formado por 24 canais de 8 bits cada um. Esse quadro é repetido a cada 125 s e transporta ainda um bit adicional para possibilitar a sincronização. A partir desses dados, a taxa de transmissão, em Mb/s, da hierarquia T1 é
Provas
Disciplina: Engenharia de Telecomunicações
Banca: CESGRANRIO
Orgão: Petrobrás

A figura ilustra dois enlaces ópticos e a tabela contém dados relacionados com as fibras ópticas utilizadas ou com os enlaces. Os blocos com a letra C representam conectores e os com a letra E representam emendas. Os dois enlaces operam com a mesma velocidade de transmissão, a mesma codificação de linha, a mesma potência de transmissão e empregam receptores que têm a mesma sensibilidade. Sabendo-se que as perdas nos dois enlaces, decorrentes dos mecanismos de dispersão e da presença de ruído, são desprezíveis, o comprimento L, no enlace 2, em km, é
Provas
Disciplina: Engenharia de Telecomunicações
Banca: CESGRANRIO
Orgão: Petrobrás
Em um sistema de comunicação óptica há várias fontes de perdas, que podem ocorrer em acopladores, conectores e emendas, além daquelas produzidas pela própria fibra óptica. Qual das opções abaixo contém apenas fontes de perdas que podem ocorrer nas fibras ópticas?
Provas
Disciplina: Engenharia de Telecomunicações
Banca: CESGRANRIO
Orgão: Petrobrás
Dentre as opções abaixo, qual NÃO se constitui em uma característica associada à fibra óptica usada como meio de transmissão?
Provas
Disciplina: Engenharia de Telecomunicações
Banca: CESGRANRIO
Orgão: Petrobrás

No diagrama em bloco da figura acima, observa-se que x(t) é o sinal modulante e o oscilador gera um sinal senoidal com frequência fc (frequência da portadora). Estes sinais alimentam dois moduladores em amplitude do tipo AM/DSB, cujas saídas serão subtraídas, resultando no sinal modulado y(t). Este tipo de modulação denomina-se Amplitude Modulada com
Provas
Caderno Container