Magna Concursos

Foram encontradas 3.478 questões.

2881308 Ano: 2010
Disciplina: Engenharia Mecânica
Banca: CESGRANRIO
Orgão: Petrobrás

Enunciado 3090577-1

A aplicação correta de símbolos e dimensões para a contagem de solda é fundamental para fabricação e montagem de estruturas ou equipamentos. Na figura acima é ilustrada uma sequência para solda por pontos. Qual a representação correta para essa solda?

 

Provas

Questão presente nas seguintes provas
2881307 Ano: 2010
Disciplina: Engenharia Mecânica
Banca: CESGRANRIO
Orgão: Petrobrás

Diâmetro Nominal
[ mm ]

Diâmetro Nominal
[!$ mu !$ mm ]

H7
[!$ mu !$ m]

55

12 30
-7 0

Pelos dados da tabela de afastamentos acima, o ajuste 55 H7/j6 tem as seguintes características:

 

Provas

Questão presente nas seguintes provas
2881306 Ano: 2010
Disciplina: Engenharia Mecânica
Banca: CESGRANRIO
Orgão: Petrobrás

Quatro blocos padrão de valor nominal 50 mm são colados para obter um comprimento total de 200 mm. Sabendo-se que cada bloco padrão foi calibrado com um bloco de referência de 50 mm e com uma incerteza padrão dada no certificado de calibração de 0,1 m, a incerteza padrão, em m, desse conjunto é Dado: coeficiente de sensibilidade e de correlação estimado igual a 1

 

Provas

Questão presente nas seguintes provas
2881305 Ano: 2010
Disciplina: Engenharia Mecânica
Banca: CESGRANRIO
Orgão: Petrobrás

Um gabarito de referência tem valor nominal de 24,55 mm e erro máximo admissível especificado pelo fabricante de ± 0,3 mm. Qual o valor aproximado, em mm, da incerteza padrão?

 

Provas

Questão presente nas seguintes provas
2881304 Ano: 2010
Disciplina: Engenharia Mecânica
Banca: CESGRANRIO
Orgão: Petrobrás
Lado Medida
A 2"
B 4"

Um paquímetro de Vernier 1/128 é utilizado para medir os lados de um retângulo. Considerando os valores apresentados na tabela acima, qual o valor da área desse retângulo?

 

Provas

Questão presente nas seguintes provas
2881303 Ano: 2010
Disciplina: Engenharia Mecânica
Banca: CESGRANRIO
Orgão: Petrobrás

Enunciado 3090572-1

A medida indicada no goniômetro ilustrado acima, de resolução 5’, é

 

Provas

Questão presente nas seguintes provas
2881302 Ano: 2010
Disciplina: Engenharia Mecânica
Banca: CESGRANRIO
Orgão: Petrobrás

Bloco

Medida

A

5 mm

B

5 mm

C

6 mm

D

7 mm

E

7 mm

F

8 mm

Um relógio comparador de resolução 0,01 mm é utilizado para medir 6 blocos de aço montados em série. Considerando os valores apresentados na tabela acima, o comprimento final do conjunto formado pelo alinhamento dos blocos é

 

Provas

Questão presente nas seguintes provas
2881301 Ano: 2010
Disciplina: Engenharia Mecânica
Banca: CESGRANRIO
Orgão: Petrobrás

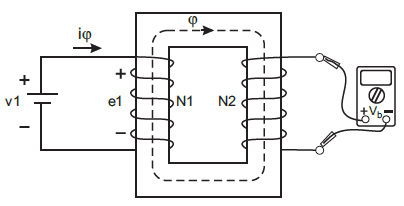
Enunciado 3090570-1

A figura acima mostra um transformador monofásico ideal, alimentado por uma fonte de Tensão CC, onde v1 = 100 V. Sabendo-se que o número de espiras nos enrolamentos N1 e N2 são 100 e 5, respectivamente, o valor da tensão induzida medida pelo voltímetro instalado no enrolamento N2 é

 

Provas

Questão presente nas seguintes provas
2881300 Ano: 2010
Disciplina: Engenharia Mecânica
Banca: CESGRANRIO
Orgão: Petrobrás

Enunciado 3090522-1

A figura acima apresenta um programa em Ladder que aciona uma bomba d’água. Seu correspondente em lista de instruções é

 

Provas

Questão presente nas seguintes provas
2881299 Ano: 2010
Disciplina: Engenharia Mecânica
Banca: CESGRANRIO
Orgão: Petrobrás

Tratando-se de redes de campo, o protocolo Profibus se divide nas seguintes versões:

 

Provas

Questão presente nas seguintes provas