Foram encontradas 100 questões.
2181898
Ano: 2010
Disciplina: Segurança e Saúde no Trabalho (SST)
Banca: CESGRANRIO
Orgão: Petrobrás
Disciplina: Segurança e Saúde no Trabalho (SST)
Banca: CESGRANRIO
Orgão: Petrobrás
Provas:
Sobre Medicina do Trabalho, analise as proposições abaixo.
I - É o ramo da medicina que se preocupa somente com os acidentes de trabalho.
II - É dever do médico do trabalho ao constatar enfermidade ou deficiência que incapacite o empregado para funções que venha exercendo, informá-lo e orientá-lo para a aposentadoria.
III - Esse ramo da medicina deve ser praticado no interior da empresa.
IV - O médico do trabalho deve andar identificado e ser bem relacionado com todos os setores da empresa.
Estão corretas as proposições
Provas
Questão presente nas seguintes provas
As modificações do meio corrosivo é uma prática usada para proteção anticorrosiva. Dentre os procedimentos abaixo, qual NÃO visa a modificar a agressividade do meio corrosivo?
Provas
Questão presente nas seguintes provas
2181896
Ano: 2010
Disciplina: Segurança e Saúde no Trabalho (SST)
Banca: CESGRANRIO
Orgão: Petrobrás
Disciplina: Segurança e Saúde no Trabalho (SST)
Banca: CESGRANRIO
Orgão: Petrobrás
Provas:

O mapa de riscos é uma representação gráfica dos riscos ambientais presentes no local de trabalho. O símbolo apresentado acima é uma representação no mapa de riscos indicando
Provas
Questão presente nas seguintes provas
Um transformador monofásico de 50 kVA, 2400/240 V, tem sua impedância equivalente refletida ao lado de baixa tensão dada por Zeq = 0,014 + j 0,018 Ohm. O valor dessa impedância refletida ao lado de alta tensão é, em Ohm,
Provas
Questão presente nas seguintes provas

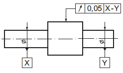
No desenho técnico acima, a tolerância geométrica representada mostra que
Provas
Questão presente nas seguintes provas
2181892
Ano: 2010
Disciplina: Desenho Técnico e Industrial
Banca: CESGRANRIO
Orgão: Petrobrás
Disciplina: Desenho Técnico e Industrial
Banca: CESGRANRIO
Orgão: Petrobrás
Provas:
No desenho técnico, segundo a NBR 8403, a linha do tipo traço e ponto estreita, larga nas extremidades e na mudança de direção, é utilizada para representar
Provas
Questão presente nas seguintes provas
Em um compressor, qual a descarga de ar em m3 correspondente a 5 m3 de ar normal, supondo-se ser a pressão igual a 4 atm manométricas?
Provas
Questão presente nas seguintes provas
Relacione as categorias de bombas de deslocamento positivo apresentadas à esquerda com os seus exemplos listados à direita.
| I - Alternativas | P - Centrífuga |
| II - Rotativas com um rotor | Q - Êmbolo |
|
III - Rotativas com rotores
múltiplos
|
R - Engrenagens |
| S - Palhetas |
A relação correta é
Provas
Questão presente nas seguintes provas
Em turbinas a vapor, o maior valor da potência absorvida pela turbina ocorre quando a velocidade periférica é aproximadamente igual à metade da velocidade absoluta de entrada. Essa condição leva a valores inadmissíveis no tocante à velocidade periférica, ao número de rotações ou ao diâmetro da roda. Para solucionar esse problema, adota- se uma expansão escalonada, em vez de se adotar um único conjunto de pás no rotor. São exemplos desse procedimento os escalonamentos de
Provas
Questão presente nas seguintes provas
Ao se realizar uma pesquisa sobre as informações necessárias para as especificações de materiais, conceitos e regras quanto a projeto, construção, operação, inspeção e manutenção de caldeiras e vasos de pressão, deve-se pesquisar o código editado pela
Provas
Questão presente nas seguintes provas
Cadernos
Caderno Container