Foram encontradas 2.648 questões.
2182228
Ano: 2010
Disciplina: Engenharia de Telecomunicações
Banca: CESGRANRIO
Orgão: Petrobrás
Disciplina: Engenharia de Telecomunicações
Banca: CESGRANRIO
Orgão: Petrobrás
Provas:
Em um enlace de comunicação digital, a taxa de transmissão binária na saída do transmissor é de 1 Mbit/seg.
Nesse caso, o(a)
Provas
Questão presente nas seguintes provas
Um sistema de transmissão digital que utiliza fibra ótica apresenta perdas de potência devido a conexões, acoplamentos e à atenuação intrínseca da fibra. Em um particular sistema, os valores de perda verificados, devido a esses efeitos, foram iguais, respectivamente, a 5 dB, 14 dB e 3 dB. Nesse caso, para que a potência do sinal que chega ao receptor seja igual a -32 dBm, a potência do LED transmissor, em mW, deve ser igual a
Provas
Questão presente nas seguintes provas
2182226
Ano: 2010
Disciplina: Engenharia de Telecomunicações
Banca: CESGRANRIO
Orgão: Petrobrás
Disciplina: Engenharia de Telecomunicações
Banca: CESGRANRIO
Orgão: Petrobrás
Provas:
Ao analisar uma instalação física de um sistema de transmissão a fibra ótica, um técnico de telecomunicações deve considerar que
Provas
Questão presente nas seguintes provas
Em um processo industrial, o acionamento de uma determinada válvula, representada pela variável lógica V, está associado às condições de 3 (três) chaves representadas pelas variáveis C1, C2 e C3. A válvula V, em sua operação normal, está sempre aberta (V=1). Ela somente será fechada (V=0) quando as condições lógicas das chaves C1C2C3 estiverem, nesta ordem, iguais a 010 ou 011 ou 111.
A função booleana da válvula: V = f(C1, C2, C3) é dada por
Provas
Questão presente nas seguintes provas

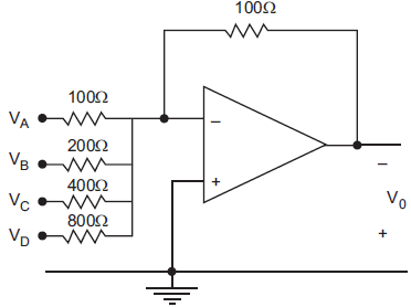
O circuito da figura acima mostra um amplificador operacional ideal montado numa configuração experimental para operar como um conversor Digital–Analógico (D/A). As tensões VA, VB, VC e VD podem assumir tensões 0V (nível lógico 0) ou 16V (nível lógico 1).
A tensão VA corresponde ao bit mais significativo. Se a sequência de bits na entrada for 0110, a tensão de saída Vo, em volts, será
Provas
Questão presente nas seguintes provas
Um número na base 2 ou base binária é assim representado !$ 1001110010111101 \mid _2 !$ .Este número convertido para a base
Provas
Questão presente nas seguintes provas
Um circuito combinacional que apresenta três entradas lógicas, F, G e H, tem sua saída Y dada pela função
!$ Y=\bar{F}\bar{G}\bar{H}+\bar{F}G \bar{H}+\bar{F}\bar{G}H+\bar{F}GH !$
A expressão simplificada de Y é
Provas
Questão presente nas seguintes provas

Uma função booleana X=f (E,F,G,H) é representada pela sua configuração no mapa de Karnaugh da figura acima. A expressão mais simples dessa função é
Provas
Questão presente nas seguintes provas
Durante a montagem de um equipamento, foram destacadas três operações a serem promovidas:
P - Alinhamento e balanceamento
Q - Assentamento
R - Grauteamento
A sequência correta dessas operações é
| 1ª | 2ª | 3ª |
Provas
Questão presente nas seguintes provas
Relacione as categorias de dano listadas à esquerda com os modos de falha de selos mecânicos, apresentados à direita.
|
I - Cortes nos
anéis-O
|
P - Dano mecânico |
|
II - Fragilização
dos anéis-O
|
Q - Dano por ataque químico |
|
III - Inchamento dos
elastômeros
|
R - Dano elétrico |
| S - Dano térmico |
A relação correta é
Provas
Questão presente nas seguintes provas
Cadernos
Caderno Container