Foram encontradas 2.648 questões.

No manômetro ilustrado na figura ao lado, o fluido manométrico é o mercúrio, de massa específica 13,6 g/cm3. A altura h mede 25 cm. Considerando-se a aceleração da gravidade local g = 10,0 m/s2 e a pressão atmosférica p0 = 1,0 x 105 Pa, a pressão no interior do gás, em N/m2, é
Provas
Questão presente nas seguintes provas
Duas partículas, A e B, têm a mesma massa m = 3 x 10–2 kg. Cada partícula está presa à extremidade de um fio de 1 metro de comprimento, que se encontra fixo ao teto, através de sua outra extremidade, em um ponto O. A e B estão carregadas, cada uma, com uma mesma quantidade de carga Q, e, devido a isso, elas se afastam de tal forma que, ao atingirem o equilíbrio, cada fio faz um ângulo !$ θ !$ com a vertical, conforme ilustrado na figura abaixo.

Considere !$ \sin θ !$ = 0,6 e !$ \cos θ !$ = 0,8 e a aceleração da gravidade local 10 m/s2. Sabendo-se que a constante eletrostática do meio é k = 9 x 109 N.m2/C, o valor da carga Q, em !$ μ !$C, é
Provas
Questão presente nas seguintes provas

Conforme esquematizado na figura acima, um condutor metálico retilíneo, de massa m e comprimento L, é suspenso por um dinamômetro D de massa desprezível e mantido em equilíbrio, na direção horizontal, em uma região na qual existe um campo magnético uniforme, constante no espaço e no tempo, de intensidade B. O fio se encontra perpendicularmente às linhas de indução magnética. A aceleração da gravidade local é g. Considerando-se uma situação em que a leitura no dinamômetro é nula, a corrente elétrica i no condutor e o sentido do vetor indução magnética B devem ser, respectivamente,
Provas
Questão presente nas seguintes provas
Uma balsa, em formato de paralelepípedo, tem 10 m2 de área da base em contato com a água, cuja densidade é 1 x 103 kg.m–3. Nessa situação, a balsa flutua, estando submersa 7,5 cm de sua altura. Um homem, após subir na balsa e esperar as águas se acalmarem, verifica que a altura submersa torna-se 8,2 cm. A massa do homem, em kg, é
Provas
Questão presente nas seguintes provas
Um cilindro, fechado por um êmbolo, encerra o volume de 1,0 litro de um gás ideal à pressão de 2,5 x 105 Pa. Quando o sistema recebe de uma fonte quente 300 J de calor, o êmbolo desloca-se sem atrito, de modo que o volume do gás seja duplicado em um processo termodinâmico, o qual pode ser considerado isobárico. Nesse caso, a energia interna do gás sofreu uma variação, em joules, equivalente a
Provas
Questão presente nas seguintes provas
Uma máquina térmica remove 300 J de um reservatório quente a 390 K, realiza 50 J de trabalho e descarrega 250 J para um reservatório frio a 273 K. A quantidade de trabalho perdida em cada ciclo, em joules, devido aos processos irreversíveis presentes na operação dessa máquina, é
Provas
Questão presente nas seguintes provas
Para que uma radiação consiga extrair elétrons de uma placa de tungstênio, é necessário que sua frequência seja, no mínimo, de 1,50 x 1015 Hz. Sendo assim, a energia cinética máxima, em elétron-volts, dos elétrons emitidos pelo tungstênio, no vácuo, quando nele incide uma radiação de comprimento de onda igual a 150 nm, é, aproximadamente, igual a
Dados:
- constante de Planck h = 6,63 x 10–34 J.s
- velocidade das ondas eletromagnéticas no vácuo c = 3,0 x 108 m/s
- massa do elétron m = 9,1 x 10–31 kg
- 1 eV = 1,6 x 10–19 J
Provas
Questão presente nas seguintes provas
Um portador de carga, de massa m = 1,6 x 1027 kg e carga q = 1,6 x 10–19 C, move-se em uma região na qual existe um campo magnético constante, no espaço e no tempo, de intensidade teslas. A trajetória do portador é circular e de raio 40 cm. Sabendo-se que 1 ns = 10–9 s, o período do movimento, em nanossegundos, é
Provas
Questão presente nas seguintes provas
Durante a aterrissagem de um avião, um passageiro decide determinar a desaceleração da aeronave. Para tal, utiliza um ioiô e observa que, ao mantê-lo suspenso livremente, o barbante faz um ângulo !$ θ !$ com a direção vertical. A aceleração da gravidade no interior do avião é, com boa aproximação, 10 m/s2. Sabendo que !$ \sin θ !$ = 0,6 e !$ \cos θ !$ = 0,8, a desaceleração do avião na situação descrita, em km/h.s, considerando a aterrissagem como um movimento retilíneo uniformemente variado, é
Provas
Questão presente nas seguintes provas
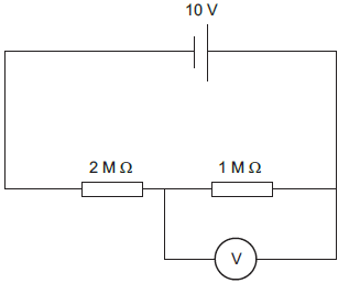
O circuito mostrado na figura abaixo é composto por uma bateria, de força eletromotriz 10 V e resistência interna desprezível, e dois resistores em série, com resistências de 2M!$ Ω !$ e 1M!$ Ω !$. Em um dos resistores, há um voltímetro, cuja resistência interna vale 10 M!$ Ω !$.

A indicação do voltímetro, em volts, é
Provas
Questão presente nas seguintes provas
Cadernos
Caderno Container