Foram encontradas 70 questões.
Os relés de distância são soluções conhecidas para proteção de sistemas elétricos de potência. Esses relés são denominados pelo número 21 e englobam o relé de impedância, o relé de admitância (Mho) e o relé de reatância. Seja uma linha de transmissão de 230 kV, cuja impedância é de 143,75 !$ Ω !$. Para a aplicação de um relé de impedância que proteja 80% da linha de transmissão será utilizado um TC de !$ \large{500 \over 5} !$ e um TP de !$ \large{230.000 \over 100} !$
A regulagem desse relé de impedância será de
Provas
Questão presente nas seguintes provas

O aterramento em instalações elétricas é importante para a segurança no uso de equipamentos elétricos e previne, principalmente, acidentes com choques elétricos.
Dentre os cinco tipos de esquemas de aterramento comumente utilizados, a figura acima demonstra o esquema
Provas
Questão presente nas seguintes provas
|
Seções nominais dos
condutores em mm2
|
Capacidade de condução
de corrente em ampères
|
| 2,5 | 37 |
| 4 | 50 |
| 6 | 65 |
| 10 | 90 |
| 16 | 121 |
O quadro acima apresenta informações sobre seções nominais dos condutores e mostra a capacidade de condução da corrente dos condutores de acordo com a sua seção nominal. Em uma determinada instalação elétrica, a corrente de projeto da instalação é de 63 A, e as condições de instalação determinam um fator de correção de temperatura de 1,05 e um fator de correção de agrupamento de 0,6.
Qual seção nominal dos condutores (em mm2) deve ser adotada?
Provas
Questão presente nas seguintes provas
Os disjuntores termomagnéticos são dispositivos utilizados para a proteção das instalações elétricas, sendo amplamente empregados nas instalações elétricas prediais e industriais.
Em instalações elétricas de baixa tensão, o dimensionamento adequado dos disjuntores
Provas
Questão presente nas seguintes provas
A Agência Nacional de Energia Elétrica (Aneel), através dos Procedimentos de Distribuição de Energia Elétrica no Sistema Elétrico Nacional (Prodist), qualifica os harmônicos como fenômenos relacionados à qualidade da energia elétrica. Suponha que, em um barramento elétrico de potência, a tensão fundamental seja de 200 V e que as tensões das componentes harmônicas sejam de 30 V, 15 V e 10 V para o 7º, o 11º e o 13º harmônico, respectivamente.
Nesse caso, a distorção harmônica total de tensão, em valor percentual, será de
Provas
Questão presente nas seguintes provas
No âmbito dos sistemas de geração, transmissão e distribuição de energia elétrica, analise as afirmativas abaixo.
I – As subestações com isolamento em SF6 visam a ocupar a menor área construída possível e são indicadas para utilização em locais com elevado custo do metro quadrado do terreno.
II – Dentre os equipamentos de uma subestação, as chaves seccionadoras são os dispositivos destinados a interromper a corrente de circuitos em carga.
III – O arranjo de barramentos na configuração disjuntor e meio proporciona a possibilidade de manutenção de qualquer disjuntor do arranjo sem a necessidade de desligamento dos circuitos.
Está correto APENAS o que se afirma em
Provas
Questão presente nas seguintes provas
Os processos térmicos que ocorrem nas turbinas a gás, quando são feitas simplificações para seus estudos, podem ser descritas pelo ciclo ideal de Brayton.
Nesse ciclo, ocorrem
Provas
Questão presente nas seguintes provas
Um dos principais meios de suprimento de energia dos grandes centros urbanos é a geração de energia elétrica a partir das usinas termelétricas. A baixa eficiência das termelétricas, porém, é uma característica negativa desse tipo de geração. A usina termelétrica de ciclo combinado é uma solução interessante que combina as tecnologias de geração a gás e a vapor para aumentar a eficiência total do parque de geração.
A esse respeito, analise as afirmativas a seguir.
I – Uma vantagem do ciclo combinado é que há a possibilidade de operar apenas com a turbina a gás, deixando a turbina a vapor ociosa.
II – O compressor é parte constituinte do sistema de geração a vapor, sendo responsável por manter o vapor a alta pressão.
III – A caldeira de recuperação de calor possibilita que o sistema de geração a vapor aproveite o calor proveniente dos gases de exaustão da turbina a gás.
Está correto APENAS o que se afirma em
Provas
Questão presente nas seguintes provas
Suponha que, em uma instalação, uma bomba está operando com vazão de 0,015 m3/s e fornece uma altura manométrica de 25 metros quando sua rotação é de 3.000 rpm.
Para a mesma vazão, qual seria a altura manométrica, em metros, fornecida caso a rotação da bomba fosse de 2.400 rpm?
Provas
Questão presente nas seguintes provas

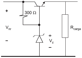
O circuito da figura acima é uma fonte de tensão regulada que usa como referência um diodo zener com 6 V de tensão nominal. A tensão não regulada de entrada !$ (V_{nr}) !$ tem valor nominal de 15 V e admite uma variação de !$ ± 20\% !$em torno do seu valor nominal. A resistência de carga pode assumir valores que variam de 100 !$ Ω !$ até a resistência infinita (ckt aberto).
Nessas condições, qual será a corrente máxima, em mA, suportada pelo diodo?
Provas
Questão presente nas seguintes provas
Cadernos
Caderno Container