Magna Concursos

Foram encontradas 2.327 questões.

2201480 Ano: 2011
Disciplina: Engenharia Eletrônica
Banca: CESGRANRIO
Orgão: Petrobrás
O número de mintermos (combinações dos sinais Y, X, W e V) que ativam a função F(Y,X,W,V)=(VW)+(!$ ar{X} !$ Y), é
 

Provas

Questão presente nas seguintes provas
2201479 Ano: 2011
Disciplina: Engenharia Eletrônica
Banca: CESGRANRIO
Orgão: Petrobrás
Enunciado 3103153-1
Sabendo-se que K=K3K2K1K0, P=P3P2P1P0 e Z= Z3Z2Z1Z0 são números de 4 bits, a saída S da unidade aritmética da figura é
 

Provas

Questão presente nas seguintes provas
2201478 Ano: 2011
Disciplina: Engenharia Eletrônica
Banca: CESGRANRIO
Orgão: Petrobrás
Enunciado 3103152-1
Considere um contador binário de 4 bits, cujas tabelas de operação e de ligações estão mostradas acima. O contador dispõe dos sinais LOAD (carregamento paralelo sincronizado pelo clock), CLR (clear síncrono) e EN (habilitador de contagem a cada clock), todos ativados em nível alto, além do sinal UP, que define a direção de contagem.
Sabendo que a habilitação de LOAD tem prioridade sobre a habilitação de contagem, o número de estados da sequência permanente implementada é
 

Provas

Questão presente nas seguintes provas
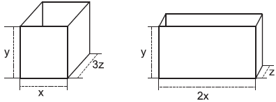
2201477 Ano: 2011
Disciplina: Física
Banca: CESGRANRIO
Orgão: Petrobrás
Na figura abaixo, são apresentados dois recipientes em forma de paralelepípedos, com paredes rígidas, cheios de água, que diferem nas medidas de algumas de suas arestas (múltiplos de x, y e z).
Enunciado 3103151-1
Sobre a pressão exercida pelo líquido no fundo dos recipientes, com base nas dimensões dadas, considere as afirmações abaixo.
A pressão possui valores diferentes em cada um dos recipientes.
PORQUE
A pressão depende da capacidade cúbica do recipiente.
Analisando-se as afirmações acima, conclui-se que
 

Provas

Questão presente nas seguintes provas
Na arquitetura de um PC, o componente ligado diretamente ao processador é a(o)
 

Provas

Questão presente nas seguintes provas
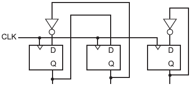
2200025 Ano: 2011
Disciplina: Engenharia Eletrônica
Banca: CESGRANRIO
Orgão: Petrobrás
Enunciado 3103149-1
Considere que os flip-flops do circuito digital da figura acima começam zerados após a energização. O número de estados que se repetem indefinidamente na sequência permanente é
 

Provas

Questão presente nas seguintes provas
2200024 Ano: 2011
Disciplina: Engenharia Eletrônica
Banca: CESGRANRIO
Orgão: Petrobrás
Na automação industrial, para a programação de Controladores Lógico Programáveis (CLP), representando graficamente o processamento dos sinais elétricos e do comando enviados a outros equipamentos industriais, uma possibilidade bastante empregada é o uso de linguagem de contato (LADDER).
Enunciado 3103148-1
A figura acima apresenta uma pequena parte de um programa para CLP mais complexo. Nas condições ideais de funcionamento, o contato, normalmente aberto I, é energizado por uma botoeira, por cerca de 0,5 segundo. T3 é um temporizador associado a 3 segundos, e M0 é um motor.
Considerando-se o diagrama e as informações acima, afirma-se que M0
 

Provas

Questão presente nas seguintes provas
2198844 Ano: 2011
Disciplina: Engenharia Eletrônica
Banca: CESGRANRIO
Orgão: Petrobrás
Um determinado instrumento de medição industrial traz, em seu manual, como especificação técnica, que sua faixa de medida é de 130 ºC a 430 ºC. Com base nessa informação e de acordo com a terminologia técnica sobre o equipamento, conclui-se que o(a)
 

Provas

Questão presente nas seguintes provas
2198635 Ano: 2011
Disciplina: Engenharia Eletrônica
Banca: CESGRANRIO
Orgão: Petrobrás
A moderna automação industrial utiliza amplamente Controladores Lógico Programáveis (CLP) em suas linhas de produções. Sobre as características básicas dos CLP, afirma-se que
 

Provas

Questão presente nas seguintes provas
2198615 Ano: 2011
Disciplina: Engenharia Elétrica
Banca: CESGRANRIO
Orgão: Petrobrás
Enunciado 3103145-1
Para medir a frequência de um sinal senoidal, um técnico fez uso de um dos frequencímetros existentes em seu laboratório, no Brasil. Esse equipamento utiliza o sistema de contagem mostrado na figura acima, de acordo com os seguintes passos:
1 - o sinal senoidal é transformado num sinal pulsado de mesma frequência;
2 - esse sinal pulsado incrementa um contador durante um período determinado pela base de tempo;
3 - a saída do contador é convertida na frequência do sinal.
Sabendo, contudo, que a base de tempo do frequencímetro, apesar de periódica, apresentava um valor incorreto, o técnico testou o equipamento, medindo a frequência da rede elétrica (60Hz) e obtendo 75 Hz. Em seguida, mediu a frequência do sinal desejado e verificou a indicação de 120 Hz no frequencímetro. O verdadeiro valor da frequência do sinal, em Hz, é
 

Provas

Questão presente nas seguintes provas