Magna Concursos

Foram encontradas 2.327 questões.

194822 Ano: 2011
Disciplina: Engenharia Elétrica
Banca: CESGRANRIO
Orgão: Petrobrás
Considere as informações a seguir para responder a questão.
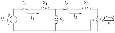
Enunciado 3098892-1
O circuito da figura acima apresenta o modelo equivalente por fase de um motor de indução trifásico 440 V, 60 Hz, 6 polos, ligado em Y. Os parâmetros desse motor, em ohms, são apresentados a seguir.
r1 = 0,30; x1 = 0,40; r2 = 0,15; x2 = 0,20; x!$ φ !$ = 15
Considerando que !$ I_1 simeq I_2 !$ que as perdas totais por atrito, por ventilação e no ferro do motor somam 150 W, independente da sua rotação e carga, a potência de saída do motor, em watts, é, aproximadamente,
 

Provas

Questão presente nas seguintes provas
194821 Ano: 2011
Disciplina: Engenharia Elétrica
Banca: CESGRANRIO
Orgão: Petrobrás
Considere as informações a seguir para responder a questão.
Enunciado 3098891-1
O circuito da figura acima apresenta o modelo equivalente por fase de um motor de indução trifásico 440 V, 60 Hz, 6 polos, ligado em Y. Os parâmetros desse motor, em ohms, são apresentados a seguir.
r1 = 0,30; x1 = 0,40; r2 = 0,15; x2 = 0,20; x!$ φ !$ = 15
O motor opera com um escorregamento de 4%, demandando da rede uma corrente !$ I_1 !$ de 20 A, com fator de potência 0,8. Nessas condições de funcionamento, as perdas no cobre do estator do motor, em W, são
 

Provas

Questão presente nas seguintes provas
194820 Ano: 2011
Disciplina: Engenharia Elétrica
Banca: CESGRANRIO
Orgão: Petrobrás
Em um sistema elétrico, composto por um único transformador de 500 kVA, foi adotada como base a potência de 400 kVA. A potência desse transformador, em pu, é
 

Provas

Questão presente nas seguintes provas
194819 Ano: 2011
Disciplina: Engenharia Elétrica
Banca: CESGRANRIO
Orgão: Petrobrás
Em um sistema elétrico do tipo estrela-estrela, desequilibrado a quatro fios, existe uma corrente de neutro, definida por !$ vec{I}_N !$. Sabe-se que essa corrente elétrica pode ser decomposta por seus componentes simétricos de sequências zero, positiva e negativa, definidos, respectivamente, por !$ vec{I}_0 !$, !$ vec{I}_1 !$ e !$ vec{I}_2 !$. A expressão que relaciona a corrente de neutro com seus componentes simétricos é
 

Provas

Questão presente nas seguintes provas
194817 Ano: 2011
Disciplina: Engenharia Elétrica
Banca: CESGRANRIO
Orgão: Petrobrás
Em uma linha de transmissão, ocorre uma falta, cuja corrente é definida por
!$ large{3V_1^{(F)} over Z^0_{EQU}+Z^1_{EQU}+Z^2_{EQU}} !$, onde
!$ V_1^{(F)} !$ é sua tensão de sequência positiva;
!$ Z^0_{EQU} !$, !$ Z^1_{EQU} !$ e !$ Z^2_{EQU} !$ são as impedâncias nas sequências: zero, positiva e negativa, respectivamente.
A esse respeito, afirma-se que se trata de uma falta
 

Provas

Questão presente nas seguintes provas
194816 Ano: 2011
Disciplina: Engenharia Elétrica
Banca: CESGRANRIO
Orgão: Petrobrás
A respeito dos motores de corrente contínua, considere as afirmativas abaixo.
I – O motor CC com excitação série possui um elevado conjugado em baixa rotação.
II – O motor CC com excitação do tipo paralelo permite o ajuste de velocidade por variação da tensão na armadura.
III – O motor CC com excitação série possui uma baixa velocidade quando o motor está sem carga.
 

Provas

Questão presente nas seguintes provas
194815 Ano: 2011
Disciplina: Engenharia Elétrica
Banca: CESGRANRIO
Orgão: Petrobrás
Um motor de indução de 6 polos e 60 Hz apresenta velocidade do campo magnético girante, em rpm, igual a
 

Provas

Questão presente nas seguintes provas
194813 Ano: 2011
Disciplina: Engenharia Elétrica
Banca: CESGRANRIO
Orgão: Petrobrás
A respeito de um transformador considerado ideal, afirma-se que
 

Provas

Questão presente nas seguintes provas
194812 Ano: 2011
Disciplina: Engenharia Elétrica
Banca: CESGRANRIO
Orgão: Petrobrás
Um circuito equivalente de Norton é composto por uma fonte de corrente de 20 A, em paralelo com um resistor de 2 !$ Ω !$. O seu equivalente de Thévenin é um circuito composto por uma fonte de
 

Provas

Questão presente nas seguintes provas
194811 Ano: 2011
Disciplina: Engenharia Elétrica
Banca: CESGRANRIO
Orgão: Petrobrás
Enunciado 3098883-1
Para o sistema trifásico desequilibrado, mostrado na figura acima, composto por uma fonte simétrica e uma carga desequilibrada, a(s)
 

Provas

Questão presente nas seguintes provas