Foram encontradas 2.327 questões.
Tendo como referência o Modelo OSI/ISO, as funções da camada de enlace e da camada de rede são, respectivamente,
Provas
Questão presente nas seguintes provas
- Modelo OSIModelo OSI: Camada de Enlace
- Protocolos e ServiçosAcesso ao MeioHDLC: High-level Data Link Control
High-Level Data Link Control (HDLC) é um protocolo orientado a bit para comunicação de dados utilizando links ponto a ponto e multiponto. Os frames HDLC usam flags como delimitadores, ou seja, uma sequência de 8 bits que serve de padrão para sincronização do receptor. Essa sequência de bits é
Provas
Questão presente nas seguintes provas
PPP (Point to Point Protocol) é um protocolo orientado a byte que oferece a funcionalidade de
Provas
Questão presente nas seguintes provas
A necessidade de uma taxa de dados mais alta resultou no projeto do protocolo Gigabit Ethernet de 1 Gbps, padronizado como IEEE-802.3z. A implementação 1000Base-CX estabeleceu as características, em termos de mídia, comprimento máximo e codificação de linha, respectivamente,
Provas
Questão presente nas seguintes provas

Considere um conversor CA-CC monofásico, de onda completa e retificado a diodo. Esse conversor é alimentado por um outro conversor monofásico CC-CA, cuja tensão de saída é uma onda quadrada, de frequência 60 Hz, mostrada na figura ao lado. Supondo-se que os dois conversores são considerados ideais, o valor da potência média, em watts, dissipada em uma resistência de 10 !$ Ω !$ conectada no lado CC do retificador, é
Provas
Questão presente nas seguintes provas
As chaves semicondutoras de potência são os principais elementos constituintes dos circuitos aplicados em eletrônica industrial. Com objetivo de evitar a condução indevida dessas chaves, na ocorrência de variações abruptas de tensão em seus terminais, circuitos auxiliares podem ser empregados em paralelo, com cada uma das chaves. Esses circuitos são denominados
Provas
Questão presente nas seguintes provas

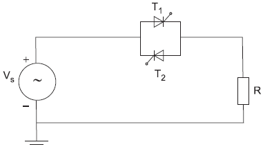
Considere a figura ao lado que mostra um circuito aplicado em eletrônica de potência e que alimenta uma carga resistiva R. Esse circuito é alimentado por uma tensão senoidal Vs e apresenta uma dupla de tiristores, T1 e T2, conectados em antiparalelo e que são disparados com um ângulo α. Essa configuração caracteriza um conversor que, dentre outras aplicações, é usado para controle da(o)
Provas
Questão presente nas seguintes provas
Uma sequência binária é transmitida particionando-a em quadros contíguos de 8 bits, sendo que cada quadro tem duração de 100 μseg. Essa sequência é aplicada à entrada de um codificador, que adiciona 1 bit extra a cada quadro, para que, no receptor, seja possível implementar um processo de detecção de erro por verificação de paridade. Admitindo-se que a duração do quadro não é alterada pelo codificador, a taxa de bits da sequência, na saída do codificador, em kbps, é
Provas
Questão presente nas seguintes provas
2202551
Ano: 2011
Disciplina: Engenharia de Telecomunicações
Banca: CESGRANRIO
Orgão: Petrobrás
Disciplina: Engenharia de Telecomunicações
Banca: CESGRANRIO
Orgão: Petrobrás
Provas:
Na transmissão de dados, dois esquemas básicos para detecção e correção de erros podem ser empregados: ARQ (Automatic Repeat Request) e FEC (Forward Error Correction). Uma vantagem do esquema FEC, em relação ao esquema ARQ, é a de que
Provas
Questão presente nas seguintes provas
2202550
Ano: 2011
Disciplina: Engenharia de Telecomunicações
Banca: CESGRANRIO
Orgão: Petrobrás
Disciplina: Engenharia de Telecomunicações
Banca: CESGRANRIO
Orgão: Petrobrás
Provas:
Em sistemas de comunicações de dados, geralmente são empregados códigos corretores de erro para melhorar o desempenho desses sistemas. Sabendo-se que C é um código corretor de erro de bloco com capacidade de correção igual a 2, a capacidade máxima de detecção de C é
Provas
Questão presente nas seguintes provas
Cadernos
Caderno Container