Foram encontradas 60 questões.

A figura acima mostra a tela de um osciloscópio com um trem de pulsos retangulares, onde a escala vertical está calibrada em 6 V/div, e a escala de tempo em 5 ms/div.
Com base nos dados da figura, o valor médio, em V, desse sinal é
Provas
Questão presente nas seguintes provas

O símbolo da figura acima corresponde a um componente eletrônico denominado
Provas
Questão presente nas seguintes provas

O circuito da figura acima é formado por componentes elétricos considerados ideais e é alimentado por uma fonte de tensão senoidal de frequência 100 rad/s.
Para que a corrente fornecida pela fonte seja nula, o valor da indutância L, em mH, é
Provas
Questão presente nas seguintes provas

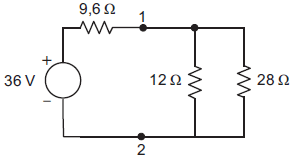
Qual o valor, em volt, da tensão do circuito equivalente Thevenin medido entre os pontos 1 e 2 do circuito elétrico da figura acima?
Provas
Questão presente nas seguintes provas
Duas placas condutoras perfeitamente paralelas e separadas pela distância de 3 mm se encontram carregadas com cargas opostas, criando um campo elétrico constante e uniforme de 6.000 V/m no seu interior.
A diferença de potencial (ddp), em V, entre as duas placas é
Provas
Questão presente nas seguintes provas

No circuito da figura acima, uma fonte CC alimenta, através de resistências, um diodo zener com 6 V de tensão nominal.
Considerando-se os valores do circuito, qual a potência, em mW, dissipada no resistor de 15 !$ Ω !$?
Provas
Questão presente nas seguintes provas

Considere a configuração montada com resistores no circuito da figura acima.
A resistência equivalente, em !$ Ω !$, medida entre os terminais a e b, é
Provas
Questão presente nas seguintes provas
Um tubo de Pitot instalado em um avião verifica que a pressão de estagnação excede a pressão estática do ar em 6,0 kPa.
Se o ar está em repouso em relação ao solo e a densidade do ar é 1,2 !$ kg/m^3 !$, a velocidade do avião em relação ao solo é, em m/s, igual a
Provas
Questão presente nas seguintes provas
Um balde de água de 25 litros, inicialmente vazio, é enchido por um tubo de água em 25 minutos.
Qual a vazão de massa no tubo?
Dado: densidade da água = !$ 1,0 imes 10^3 kg/m^3 !$
Provas
Questão presente nas seguintes provas

Um tubo, disposto horizontalmente, tem diâmetro !$ d_1 = 2,0 !$ cm e se estreita para !$ d_2= sqrt {2,0} !$ cm, como ilustrado na figura acima. A água flui através do tubo, passando por !$ d_1 !$ e sendo liberada para a atmosfera em !$ d_2 !$.
Se a pressão na região larga do tubo !$ (d_1) !$ excede a pressão atmosférica em !$ 1,5 imes 10^3 !$ Pa, com que velocidade, em m/s, a água sai por !$ d_2 !$?
Dado: densidade da água !$ 1,0 imes 10^3 kg/m^3 !$
Provas
Questão presente nas seguintes provas
Cadernos
Caderno Container