Foram encontradas 60 questões.
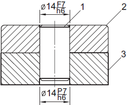
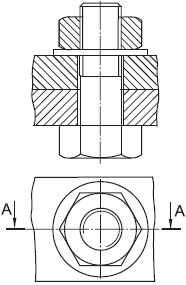
A NBR 6158/1995 estabelece o sistema de tolerâncias e ajustes aplicados em desenho técnico. O conjunto representado na figura oferece ajustes distintos para o pino 1, em relação às placas 2 e 3.
O sistema e os tipos de ajustes do conjunto, segundo essa norma, são:

Provas
Questão presente nas seguintes provas

A NBR 6158/1995 estabelece o sistema de tolerâncias e ajustes aplicados em desenho técnico. Considerando as dimensões máxima e mínima do eixo iguais a 30,009 mm e 29,996 mm, respectivamente, a interferência máxima resultante da montagem do conjunto representado na figura, segundo essa norma, é de
Provas
Questão presente nas seguintes provas

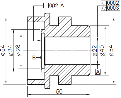
A NBR 6409/1997 estabelece as tolerâncias geométricas - tolerâncias de forma, orientação, posição e batimento - generalidades, símbolos, definições e indicações em desenho.
No desenho representado na figura, foram aplicados os símbolos prescritos nessa norma. Em tais símbolos está indicada a tolerância de
Provas
Questão presente nas seguintes provas
A norma, cujo objetivo geral é consubstanciar as regras e recomendações que devem ser aplicadas pelos órgãos responsáveis pelo Controle e Certificação de Qualidade, intitulada “Guia para inspeção por amostragem no controle e certificação de qualidade” é a
Provas
Questão presente nas seguintes provas
A NBR ISO 9000/2005 descreve os fundamentos de sistemas de gestão da qualidade e estabelece a terminologia para estes sistemas.
Entre os termos e definições, “capacidade” é o(a)
Provas
Questão presente nas seguintes provas
A organização do trabalho deve ser adequada às características psicofisiológicas dos trabalhadores e à natureza do trabalho a ser executado, considerando Norma do Ministério do Trabalho e Emprego.
NÃO é uma característica psicofisiológica dos trabalhadores nem da natureza do trabalho constante nessa Norma
Provas
Questão presente nas seguintes provas
A norma do Ministério do Trabalho e Emprego que trata da ergonomia e regulamenta as condições de trabalho, os aspectos relacionados ao levantamento, transporte e descarga de materiais, ao mobiliário, aos equipamentos e às condições ambientais do posto de trabalho e à própria organização do trabalho é a
Provas
Questão presente nas seguintes provas
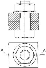
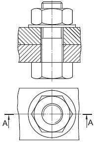
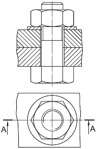
A NBR 10067/1995 fixa a forma de representação aplicada em desenho técnico. A NBR 12298/1995 estabelece a representação de área de corte por meio de hachuras. A NBR 8993/1985 apresenta a representação convencional de partes roscadas em desenhos técnicos.
Com base nessas normas, qual é a figura que representa a junta aparafusada em duas vistas, no primeiro diedro?
Provas
Questão presente nas seguintes provas

A figura acima representa as vistas frontal e superior de uma peça, no primeiro diedro.
Qual é a vista lateral esquerda dessa peça nesse mesmo diedro?
Provas
Questão presente nas seguintes provas
A NBR 10067/1995 fixa a forma de representação aplicada em desenho técnico.
Segundo essa norma, qual a figura que representa a peça proposta em três vistas, no primeiro diedro?
Provas
Questão presente nas seguintes provas
Cadernos
Caderno Container