Foram encontradas 60 questões.

A função lógica realizada pelo circuito lógico CMOS complementar apresentado na figura é
Provas
Questão presente nas seguintes provas

A função lógica realizada pelo circuito lógico combinacional apresentado na figura é
Provas
Questão presente nas seguintes provas

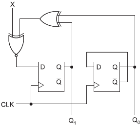
O circuito lógico sequencial mostrado na figura representa um contador binário em anel de dois bits, com Q1 sendo o bit mais significativo, em que a contagem é
Provas
Questão presente nas seguintes provas
Nas figuras apresentadas, o circuito II foi obtido a partir do circuito I, adicionando-se apenas um resistor à malha de realimentação do amplificador operacional.

Considerando ideais os amplificadores operacionais, se for aplicado o mesmo sinal Vs à entrada dos dois circuitos, pode-se dizer que, em comparação com V1, a amplitude da tensão em V2 é
Provas
Questão presente nas seguintes provas
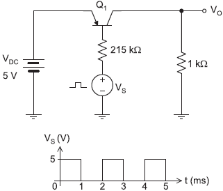
Na figura, é apresentado o esquema de um circuito alimentado por uma fonte de tensão constante VDC = 5 V. O acionamento do transistor é controlado por uma fonte VS cuja tensão varia no tempo, conforme mostrado no gráfico.

Considerando que o transistor Q1 apresenta VEB = 0,7 V e β = 150 para as condições de operação desse circuito, o gráfico com a forma de onda da tensão VO é
Provas
Questão presente nas seguintes provas

O circuito apresentado na figura emprega um termistor RT para medir a temperatura do dissipador térmico de um inversor de frequência. A curva característica do termistor é apresentada no gráfico.

Mantendo-se a tensão VP = 1 V constante, foi verificado que VM = 3,3 V.
Dessa forma, conclui-se que a temperatura medida no dissipador, em graus Celsius, é
Provas
Questão presente nas seguintes provas
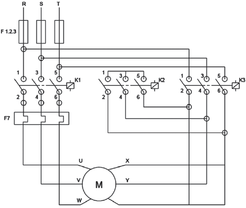
Considere a figura de um circuito elétrico para responder à questão.

Se os solenoides k1, k2 e k3 forem acionados ao mesmo tempo,
Provas
Questão presente nas seguintes provas
Considere a figura de um circuito elétrico para responder à questão.

O elemento designado por F7 no esquema corresponde a um(a)
Provas
Questão presente nas seguintes provas
O desenho de peças, os esquemas elétricos e eletrônicos, entre outros, traduzem o pensamento do projetista através de símbolos e permitem a outro profissional, que conheça as normas de desenho e as simbologias, ler e interpretar o que cada elemento representado no desenho significa e qual sua função no esquema. Os softwares CAD (projeto auxiliado por computador), desde sua origem, vieram a substituir a forma como se executam os desenhos e os esquemas, eliminando o desenho a instrumento, agilizando o trabalho, exigindo menos espaços nos escritórios de projeto, tornando-se, assim, uma ferramenta essencial nos projetos.
Um software CAD
Provas
Questão presente nas seguintes provas

Considere a representação gráfica do elemento lógico e o circuito a ele equivalente, onde o nível lógico X=1 corresponde à lâmpada acesa, e as chaves fechadas correspondem ao nível lógico 1 e as abertas, ao nível lógico 0. Esse circuito equivalente é
Provas
Questão presente nas seguintes provas
Cadernos
Caderno Container