Foram encontradas 2.689 questões.
Considere a seguinte reação de oxirredução não balanceada:
aHg + bHNO3 → xHg(NO3)2 + yH2O + zNO
A soma dos coeficiente x, y e z, após o balanceamento, é
Provas
Questão presente nas seguintes provas
Em um béquer de laboratório contendo uma solução de sulfato de cobre, é mergulhada uma placa de ferro. Após algum tempo, observa-se que a solução se torna avermelhada.
A partir dessa observação, conclui-se que os
Provas
Questão presente nas seguintes provas
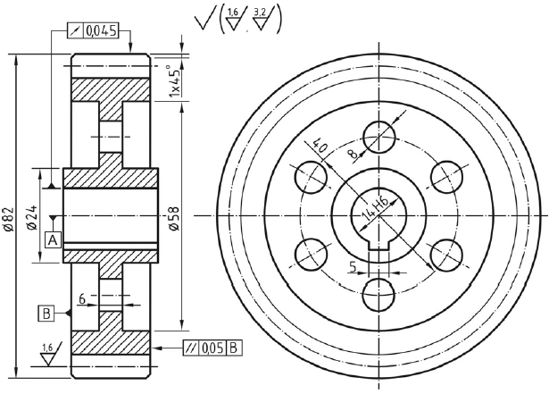
A figura apresenta o desenho de uma roda dentada. Na execução do desenho técnico, foram aplicadas normas que fornecem informações sobre tolerâncias geométricas, tolerâncias dimensionais e estado de superfície.

Com base nessas normas, considere as afirmações a seguir.
I - Todas as superfícies dos dentes da roda devem ter rugosidade Ra de 1,6 mm, segundo a NBR 8404:1984.
II - O batimento radial do diâmetro externo da roda não deve ser maior que 0,045 mm em qualquer plano, durante uma
rotação completa em torno da linha de centro de A, de acordo com a NBR 6409:1997.
rotação completa em torno da linha de centro de A, de acordo com a NBR 6409:1997.
III - A dimensão máxima do furo do cubo da roda dentada deve ser igual a 14,000 mm, segundo a NBR 6158:1995.
IV - A face oposta deve manter 0,05 mm de paralelismo, em relação à superfície de referência B, como tolerância de orientação, de acordo com a NBR 6409:1997.
São corretas as afirmações
Provas
Questão presente nas seguintes provas

A figura apresenta um micrômetro com resolução 0,001 mm que mostra, igualmente em mm, o valor medido
Provas
Questão presente nas seguintes provas

A NBR 10067:1995 estabelece a posição relativa das vistas no primeiro e no terceiro diedros.
O flange mostrado na figura está representado nas vistas (1) e (2) que, segundo essa norma, são denominadas
Provas
Questão presente nas seguintes provas
A NBR 10067:1995 estabelece a posição relativa das vistas no primeiro diedro. A figura que representa a peça nas suas vistas frontal e superior no primeiro diedro, segundo essa norma, é
Provas
Questão presente nas seguintes provas
293273
Ano: 2012
Disciplina: Agronomia (Engenharia Agronômica)
Banca: CESGRANRIO
Orgão: Petrobrás
Disciplina: Agronomia (Engenharia Agronômica)
Banca: CESGRANRIO
Orgão: Petrobrás
Provas:
Qual método é adequado para quantificação do carbono orgânico dos solos?
Provas
Questão presente nas seguintes provas
293272
Ano: 2012
Disciplina: Agronomia (Engenharia Agronômica)
Banca: CESGRANRIO
Orgão: Petrobrás
Disciplina: Agronomia (Engenharia Agronômica)
Banca: CESGRANRIO
Orgão: Petrobrás
Provas:
As estratégias de biorremediação têm sido adotadas como uma maneira eficaz e de baixo custo para a remediação de solos contaminados por petróleo e por outros compostos orgânicos. Em um ambiente contaminado, os hidrocarbonetos são, geralmente, degradados por bactérias, havendo também a possibilidade de atuação de fungos nesse processo.
Sobre comportamento desses organismos, sabe-se que
Provas
Questão presente nas seguintes provas
293271
Ano: 2012
Disciplina: Agronomia (Engenharia Agronômica)
Banca: CESGRANRIO
Orgão: Petrobrás
Disciplina: Agronomia (Engenharia Agronômica)
Banca: CESGRANRIO
Orgão: Petrobrás
Provas:
A reação abaixo representa, de modo simplificado, parte do processo de fixação do CO2 pela carboxilação do fosfoenolpiruvato nas células do mesófilo de folhas de plantas C4 para formar oxaloacetato.
fosfoenolpiruvato + HCO3− → oxaloacetato + Pi
A enzima que catalisa essa reação é a
Provas
Questão presente nas seguintes provas
293270
Ano: 2012
Disciplina: Agronomia (Engenharia Agronômica)
Banca: CESGRANRIO
Orgão: Petrobrás
Disciplina: Agronomia (Engenharia Agronômica)
Banca: CESGRANRIO
Orgão: Petrobrás
Provas:
As Figuras X e Y abaixo representam a porcentagem (%) de germinação de sementes de ervas invasoras submetidas a condições de luz
e escuro
, durante 15 dias.
e escuro
, durante 15 dias.
Considerando-se as figuras, verifica-se que X e Y representam, respectivamente, sementes
Provas
Questão presente nas seguintes provas
Cadernos
Caderno Container