Foram encontradas 550 questões.
Uma escada de massa 80 kg está apoiada no chão e em uma parede, como mostra a Figura abaixo.

O atrito entre a escada e a parede é desprezível, e o centro de gravidade da escada está no centro geométrico dela.
Qual é, aproximadamente, em N, o módulo da força de interação entre a escada e a parede?
Provas
Questão presente nas seguintes provas
Uma empresa, para fazer propaganda de um produto em uma grande avenida, usa um balão esférico de raio 3,00 m, contendo gás hélio e preso ao solo através de uma corda, como mostra a Figura abaixo. A massa do balão vazio é de 50,0 kg.
Considerando que o balão fica parado em relação ao solo e desprezando a influência dos ventos e a massa da corda, qual é, aproximadamente, em N, a força de tração na corda que prende o balão ao solo?
Dados Densidade do ar = 1,20 kg/m 3
Densidade do gás hélio = 0,180 kg/m3
Aceleração da gravidade = 10,0 m/s2
= 3

Considerando que o balão fica parado em relação ao solo e desprezando a influência dos ventos e a massa da corda, qual é, aproximadamente, em N, a força de tração na corda que prende o balão ao solo?
Dados Densidade do ar = 1,20 kg/m 3
Densidade do gás hélio = 0,180 kg/m3
Aceleração da gravidade = 10,0 m/s2

Provas
Questão presente nas seguintes provas
- EletromagnetismoElétricaCircuitos Elétricos Especiais: Leis de Kirchhoff e Ponte de Wheatstone
- EletromagnetismoElétricaEletricidade

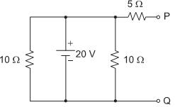
Ao se conectar um amperímetro, considerado ideal, entre estes dois pontos, o valor medido, em ampères, será de
Provas
Questão presente nas seguintes provas

As Figuras acima representam transmissores de pressão (PT) que convertem sinais de pressão de dois reatores em sinais elétricos e pneumáticos, que são enviados aos controladores (PC). Os sinais dos transmissores foram ajustados de forma linear para faixas das variáveis: para o Reator 1, entre 3 atm e 7 atm, e para o Reator 2, entre 4 atm e 9 atm. A faixa emitida pelo transmissor elétrico encontra-se entre 4 mV e 20 mV, enquanto a faixa emitida pelo transmissor pneumático encontra-se entre 3 psi e 15 psi.
Se os controladores recebem sinais de 12 mV e 6 psi, as pressões no Reator 1 e no Reator 2 são, em atm, respecti- vamente, iguais a
Provas
Questão presente nas seguintes provas
Um gerador, cuja força eletromotriz é 12,0 V, possui resistência interna de 2,00
. A ele é conectado um resistor de carga de 13,0
.
Qual é, aproximadamente, em W, a potência calorífica dissipada no interior do gerador?
Qual é, aproximadamente, em W, a potência calorífica dissipada no interior do gerador?
Provas
Questão presente nas seguintes provas
Uma placa de espessura 1,0 cm e área 200 cm2 transporta calor de um reservatório a temperatura de 423 K até uma massa de gelo a 273 K cobrindo-a totalmente. Observa-se que uma quantidade de 54 g de gelo derrete a cada minuto. Qual é a condutividade térmica λ da placa em W/(m.K)?


Provas
Questão presente nas seguintes provas
Qualquer unidade do Sistema Internacional pode ser escrita como produto de potências de unidades de base também do Sistema Internacional.
Qual das unidades derivadas a seguir está corretamente relacionada com as unidades de base?
Qual das unidades derivadas a seguir está corretamente relacionada com as unidades de base?
Provas
Questão presente nas seguintes provas
O fundo de um recipiente é feito de uma placa metálica circular com raio de 8,0 cm e espessura de 6,2 mm. Ao se colocar água no recipiente, observa-se uma diferença de temperatura de 3,0 °C entre as superfícies interna e externa da placa, e essa diferença de temperatura é mantida constante.
Qual é a quantidade de calor, em J, que é conduzida através do fundo do recipiente em 2 s?
Dados
condutividade térmica da placa metálica = 60 W/ (m . K) π = 3,1
Qual é a quantidade de calor, em J, que é conduzida através do fundo do recipiente em 2 s?
Dados
condutividade térmica da placa metálica = 60 W/ (m . K) π = 3,1
Provas
Questão presente nas seguintes provas
- Mecânica ClássicaCinemáticaLançamento Horizontal
- Mecânica ClássicaDinâmicaEnergia Mecânica e sua Conservação
A Figura abaixo mostra um pêndulo simples que consiste em uma partícula que oscila sem atrito entre os pontos P e R.

Suponha que, em determinado momento, a partícula se solte do fio no ponto Q e percorra sem atrito até o solo a trajetória mostrada na Figura.
Qual é, aproximadamente, em m/s, o módulo da velocidade da partícula ao atingir o solo?
Dado
Aceleração da gravidade = 10,0 m/s2

Suponha que, em determinado momento, a partícula se solte do fio no ponto Q e percorra sem atrito até o solo a trajetória mostrada na Figura.
Qual é, aproximadamente, em m/s, o módulo da velocidade da partícula ao atingir o solo?
Dado
Aceleração da gravidade = 10,0 m/s2
Provas
Questão presente nas seguintes provas
Considere três blocos que se movem sobre uma superfície horizontal em virtude da ação de uma força horizontal
de módulo 360 N, como mostra a Figura abaixo.

As massas dos blocos P, Q e R valem, respectivamente, 12,0 kg, 18,0 kg e 30,0 kg, e o valor do coeficiente de atrito cinético entre os blocos e a superfície é 0,200. O módulo da força de interação entre os blocos P e Q, em N, é


As massas dos blocos P, Q e R valem, respectivamente, 12,0 kg, 18,0 kg e 30,0 kg, e o valor do coeficiente de atrito cinético entre os blocos e a superfície é 0,200. O módulo da força de interação entre os blocos P e Q, em N, é

Provas
Questão presente nas seguintes provas
Cadernos
Caderno Container