Foram encontradas 60 questões.
652220
Ano: 2014
Disciplina: Segurança e Saúde no Trabalho (SST)
Banca: CESGRANRIO
Orgão: Petrobrás
Disciplina: Segurança e Saúde no Trabalho (SST)
Banca: CESGRANRIO
Orgão: Petrobrás
Provas:
A Norma Regulamentadora 10 (NR 10), que trata da segurança em instalações e serviços em eletricidade, estabelece que
Provas
Questão presente nas seguintes provas
Um motor de indução trifásico de quatro polos é conectado a uma rede elétrica cuja frequência é de 60 Hz.
Se o escorregamento do rotor é de 5%, quando o motor opera em plena carga, então, o valor, em r.p.m, da velocidade do eixo do motor em plena carga é
Se o escorregamento do rotor é de 5%, quando o motor opera em plena carga, então, o valor, em r.p.m, da velocidade do eixo do motor em plena carga é
Provas
Questão presente nas seguintes provas
Na NBR 5410, encontra-se: “Esta norma estabelece as condições a que devem satisfazer as instalações elétricas de baixa tensão, a fim de garantir a segurança de pessoas e animais, o funcionamento adequado da instalação e a conservação dos bens”.
A NBR 5410 aplica-se principalmente às instalações elétricas de edificações, qualquer que seja seu uso (residencial, comercial, público, industrial, de serviços, agropecuário, hortigranjeiro, etc.), incluindo as pré-fabricadas.
Essa Norma NÃO se aplica às instalações elétricas
A NBR 5410 aplica-se principalmente às instalações elétricas de edificações, qualquer que seja seu uso (residencial, comercial, público, industrial, de serviços, agropecuário, hortigranjeiro, etc.), incluindo as pré-fabricadas.
Essa Norma NÃO se aplica às instalações elétricas
Provas
Questão presente nas seguintes provas
A Figura abaixo mostra um esboço do projeto da instalação elétrica de um escritório.

De acordo com o observado no esboço, esse escritório terá

De acordo com o observado no esboço, esse escritório terá
Provas
Questão presente nas seguintes provas
- EletrotécnicaCircuitos Elétricos em Eletricidade
- EletrotécnicaMotores
- EletrotécnicaEquipamentos Elétricos
- Chaves Seccionadoras

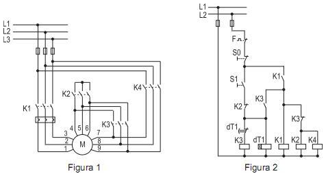
Na Figura 1 é mostrado o diagrama do circuito de acionamento de um motor de indução trifásico, e na Figura 2 é mostrado o esquema funcional de comando desse circuito.
O tipo de acionamento desse motor é conhecido como partida
Provas
Questão presente nas seguintes provas
A Figura abaixo ilustra um dos métodos estabelecidos pela NBR 5410:2004 para a verificação da atuação de dispositivos DR, utilizados em sistemas de proteção de instalações elétricas de baixa tensão.

No método ilustrado na Figura, a(o)

No método ilustrado na Figura, a(o)
Provas
Questão presente nas seguintes provas
A Figura acima mostra um sinal de tensão senoidal, onde estão indicadas medidas de amplitude e tempo.
Aplicando-se esse sinal de tensão senoidal sobre um resistor de 5 Ω, qual será o valor aproximado, em A, da corrente eficaz que passará através desse resistor?
Provas
Questão presente nas seguintes provas
Uma carga trifásica equilibrada, puramente resistiva, é ligada em estrela e demanda uma potência P.
Se essa carga for ligada em delta, a potência demandada será
Se essa carga for ligada em delta, a potência demandada será
Provas
Questão presente nas seguintes provas

A Figura acima mostra o diagrama de comando de um contator instalado em uma subestação. Deseja-se programar um CLP (controlador lógico programável) utilizando a linguagem LADDER para que desempenhe a mesma função.
Supondo que o estado dos contatos externos (F1, S0 e S1) sejam variáveis lógicas de mesmo nome, e que a saída para o contator K1 seja a saída lógica K1, então, o diagrama LADDER que representa a mesma lógica do circuito acima é
Provas
Questão presente nas seguintes provas
- EletrotécnicaCircuitos Elétricos em Eletricidade
- EletrotécnicaCircuitos de Corrente Contínua e de Corrente Alternada
A Figura abaixo mostra o diagrama elétrico simplificado do arranjo de instrumentos utilizado para “medir” o fator de potência de uma carga indutiva.

Sabendo-se que o medidor v é um voltímetro, então, os medidores x e y, respectivamente, são

Sabendo-se que o medidor v é um voltímetro, então, os medidores x e y, respectivamente, são
Provas
Questão presente nas seguintes provas
Cadernos
Caderno Container