Foram encontradas 2.000 questões.
O fenômeno originado devido a quedas repentinas de pressão, que resulta na liberação de ondas de choque causadas por implosões de bolhas de vapor no líquido provocando danos na superfície atingida é a(o)
Provas
Questão presente nas seguintes provas
A análise das vibrações ocorrentes em um motor instalado sobre uma base elástica é realizada por meio de um modelo físico com três graus de liberdade – um de translação vertical e dois de rotação.
A análise dos resultados do modelo matemático representativo das vibrações desse motor permite determinar suas três frequências naturais, cada uma das quais está relacionada a um(a)
A análise dos resultados do modelo matemático representativo das vibrações desse motor permite determinar suas três frequências naturais, cada uma das quais está relacionada a um(a)
Provas
Questão presente nas seguintes provas

Provas
Questão presente nas seguintes provas
Pelo princípio de Arquimedes tem-se que
Provas
Questão presente nas seguintes provas
O posicionamento por GPS consiste basicamente em definir a posição de pontos através de coordenadas associadas a um referencial.
O posicionamento absoluto é realizado com o rastreio simultâneo de, pelo menos, quantos satélites por 1 receptor?
O posicionamento absoluto é realizado com o rastreio simultâneo de, pelo menos, quantos satélites por 1 receptor?
Provas
Questão presente nas seguintes provas
O título de uma mistura composta por uma parcela na fase líquida e outra na fase vapor, na temperatura de saturação, é considerado uma propriedade intensiva e corresponde à razão entre a massa
Provas
Questão presente nas seguintes provas

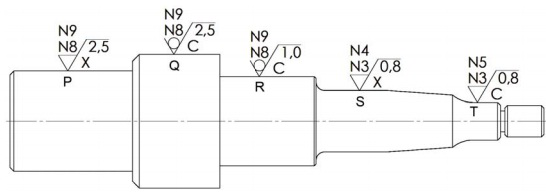
A seção que apresenta, simultaneamente, a maior rugosidade média, o maior comprimento de amostragem, e de onde a remoção de material não é permitida é a
Provas
Questão presente nas seguintes provas

Na Figura acima, o perfil que representa o regime estacionário de temperatura, após um tempo suficientemente longo é o indicado por
Provas
Questão presente nas seguintes provas
O ar é uma mistura de gases de composição definida que pode ser tratada como uma substância pura, desde que haja apenas uma fase presente. Nesse caso, seu estado de saturação é determinado pela especificação de n propriedade(s) independente(s), na condição do ar permanecer na fase vapor.
O valor de n é
O valor de n é
Provas
Questão presente nas seguintes provas
O recurso gráfico abaixo foi utilizado para estabelecer uma ordenação nas causas de perdas (defeitos) que devem sersanadas(os) na produção de uma peça.

Qual ferramenta de qualidade representa esse recurso?
Provas
Questão presente nas seguintes provas
Cadernos
Caderno Container