Foram encontradas 60 questões.
A Tabela a seguir relaciona o Nível de Integridade de Segurança (SIL) com a respectiva probabilidade de Falha sob Demanda

Qual o Nível de Integridade de Segurança exigido para o sistema, considerando-se que o tempo médio entre falhas é de 5.000 horas, o intervalo entre teste é de 500 horas e o tempo médio para reparos é de 80 horas?
Provas
Qual entre as afirmativas abaixo corresponde ao padrão observado nessas medições?
Provas
Observando as Figuras abaixo, analise a veracidade das afirmações a seguir.

I - Segundo a Norma ISA - S5.1, a Figura 1 é a representação de uma válvula com atuador pneumático de diafragma.
II - Segundo a Norma ISA - S5.1, a Figura 2 é um medidor de vazão por turbina.
III - Segundo a Norma ISA - S5.1, a Figura 3 é uma válvula solenoide.
Está correto APENAS o que se afirma em:
Provas
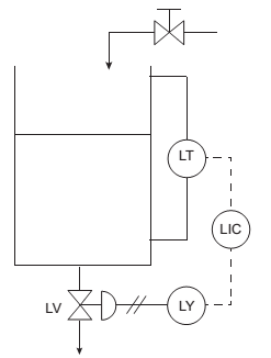
Observe a Figura abaixo.

O processo ilustrado na Figura representa que tipo de sistema?
Provas
A ilustração abaixo consta na Norma Técnica ANSI/ ISA S5.1.

Essa ilustração representa que instrumento?
Provas

Qual modelo de válvula é ilustrado na Figura acima?
Provas
Provas
Provas
Provas
Provas
Caderno Container