Foram encontradas 410 questões.
Nas Figuras abaixo, V1, V2, V3 e V4 são vistas de peças, onde estão indicados os cortes correspondentes. X-I, X-II, X-III e X-IV são representações dos cortes, considerando-se o primeiro diedro, dessas mesmas peças.
O par em que há a correta correspondência entre a peça e sua vista em corte é
O par em que há a correta correspondência entre a peça e sua vista em corte éProvas
Questão presente nas seguintes provas
Na Figura abaixo, estão representados 3 pares de engrenagens, de acordo com as normas de Desenho Técnico.
Os desenhos que representam o engrenamento interno de engrenagens cilíndricas, o externo de engrenagens cônicas espirais e o externo de engrenagens cônicas de dentes retos são, respectivamente,
Os desenhos que representam o engrenamento interno de engrenagens cilíndricas, o externo de engrenagens cônicas espirais e o externo de engrenagens cônicas de dentes retos são, respectivamente,Provas
Questão presente nas seguintes provas

A medida da distância L, em polegada fracionária, obtida do paquímetro acima é igual a
Provas
Questão presente nas seguintes provas
Na Figura abaixo, as setas indicam as respectivas regiões onde se dá a união por solda das peças, em que S1 é uma solda por costura, S2 é uma solda por pontos, e S3 é uma solda em ângulo.
Constata-se que o processo de soldagem em ambos os lados ocorre apenas em
Constata-se que o processo de soldagem em ambos os lados ocorre apenas emProvas
Questão presente nas seguintes provas
A Figura abaixo mostra a parte de um circuito hidráulico constituído por um cilindro de dupla ação, uma válvula redutora de vazão, uma válvula de retenção e uma válvula direcional.
Nesse circuito, o fluido de trabalho passa pela válvula
Nesse circuito, o fluido de trabalho passa pela válvulaProvas
Questão presente nas seguintes provas
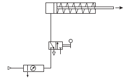
O circuito pneumático mostrado na Figura abaixo ilustra um cilindro de ação simples sendo acionado por uma válvula direcional.
Nesse circuito, o retorno do cilindro é realizado por
Nesse circuito, o retorno do cilindro é realizado porProvas
Questão presente nas seguintes provas
Considere o texto a seguir para responder à questão.
O diagrama tensão x deformação, obtido de uma máquina de ensaio de tração para um corpo de prova de aço, indica uma região em que a tensão é proporcional à deformação e outra região em que a tensão não é proporcional à deformação, conforme mostrado na Figura abaixo.

Provas
Questão presente nas seguintes provas
Considere o texto a seguir para responder à questão.
O diagrama tensão x deformação, obtido de uma máquina de ensaio de tração para um corpo de prova de aço, indica uma região em que a tensão é proporcional à deformação e outra região em que a tensão não é proporcional à deformação, conforme mostrado na Figura abaixo.

Provas
Questão presente nas seguintes provas
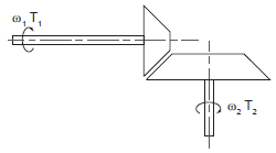
A transmissão de movimento entre dois eixos perpendiculares entre si é realizada por meio de um par de engrenagens cônicas, conforme mostrado na Figura abaixo.
Sabendo-se que quando o eixo 1 gira a 1.000 RPM, o eixo 2 gira a 800 RPM, a relação entre o torque no eixo 1 e o torque no eixo 2 (T1/T2) será
Sabendo-se que quando o eixo 1 gira a 1.000 RPM, o eixo 2 gira a 800 RPM, a relação entre o torque no eixo 1 e o torque no eixo 2 (T1/T2) seráProvas
Questão presente nas seguintes provas
As engrenagens 1 e 2, utilizadas no sistema de transmissão de movimento mostrado na Figura abaixo, possuem raios de 12 cm e 5 cm, respectivamente.

Quando a engrenagem 1 gira a 500 RPM, a engrenagem 3 gira a 600 RPM.
Se a engrenagem 2 for substituída por outra de 8 cm de raio, o giro da engrenagem 3, em RPM, passará a ser de
Provas
Questão presente nas seguintes provas
Cadernos
Caderno Container