Foram encontradas 2.005 questões.
- Instalações ElétricasInstalações Industriais e Instalações para Motores
- Transformadores e Máquinas ElétricasMáquinas AssíncronasPartida e Controle de velocidade

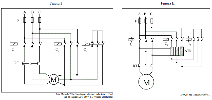
Os motores elétricos de indução, durante a partida, solicitam uma corrente de valor elevado, da ordem de 6 a 10 vezes a sua corrente nominal. Nessas condições, essas sobrecorrentes provocam quedas de tensão nos circuitos de alimentação dos motores, normalmente muito superiores aos limites estabelecidos para o funcionamento em regime normal. Dessa forma, na fase de elaboração de um projeto de acionamento de motoreseminstalações industriais, como, por exemplo, em acionamento de bombas, em ventiladores e em britadores, devese identificar um sistema de partida eficiente para esses motores. Em circuitos sobrecarregados, são usadas, geralmente, chaves estrelatriângulo (Y-•) e chaves compensadoras, ilustradas, respectivamente, nas figuras I e II acima, como forma de suavizar os efeitos da partida dos motores de indução trifásicos. Em relação a essas chaves de partida e com base nas figuras, julgue os itens a seguir.
Provas

Os motores elétricos de indução, durante a partida, solicitam uma corrente de valor elevado, da ordem de 6 a 10 vezes a sua corrente nominal. Nessas condições, essas sobrecorrentes provocam quedas de tensão nos circuitos de alimentação dos motores, normalmente muito superiores aos limites estabelecidos para o funcionamento em regime normal. Dessa forma, na fase de elaboração de um projeto de acionamento de motoreseminstalações industriais, como, por exemplo, em acionamento de bombas, em ventiladores e em britadores, devese identificar um sistema de partida eficiente para esses motores. Em circuitos sobrecarregados, são usadas, geralmente, chaves estrelatriângulo (Y-•) e chaves compensadoras, ilustradas, respectivamente, nas figuras I e II acima, como forma de suavizar os efeitos da partida dos motores de indução trifásicos. Em relação a essas chaves de partida e com base nas figuras, julgue os itens a seguir.
Provas

Os motores elétricos de indução, durante a partida, solicitam uma corrente de valor elevado, da ordem de 6 a 10 vezes a sua corrente nominal. Nessas condições, essas sobrecorrentes provocam quedas de tensão nos circuitos de alimentação dos motores, normalmente muito superiores aos limites estabelecidos para o funcionamento em regime normal. Dessa forma, na fase de elaboração de um projeto de acionamento de motoreseminstalações industriais, como, por exemplo, em acionamento de bombas, em ventiladores e em britadores, devese identificar um sistema de partida eficiente para esses motores. Em circuitos sobrecarregados, são usadas, geralmente, chaves estrelatriângulo (Y-•) e chaves compensadoras, ilustradas, respectivamente, nas figuras I e II acima, como forma de suavizar os efeitos da partida dos motores de indução trifásicos. Em relação a essas chaves de partida e com base nas figuras, julgue os itens a seguir.
Provas

Os motores elétricos de indução, durante a partida, solicitam uma corrente de valor elevado, da ordem de 6 a 10 vezes a sua corrente nominal. Nessas condições, essas sobrecorrentes provocam quedas de tensão nos circuitos de alimentação dos motores, normalmente muito superiores aos limites estabelecidos para o funcionamento em regime normal. Dessa forma, na fase de elaboração de um projeto de acionamento de motores em instalações industriais, como, por exemplo, em acionamento de bombas, em ventiladores e em britadores, deve-se identificar um sistema de partida eficiente para esses motores. Em circuitos sobrecarregados, são usadas, geralmente, chaves estrelatriângulo (Y-)) e chaves compensadoras, ilustradas, respectivamente, nas figuras I e II acima, como forma de suavizar os efeitos da partida dos motores de indução trifásicos. Em relação a essas chaves de partida e com base nas figuras, julgue o item a seguir.
Com a chave de partida estrela-triângulo, durante a partida em estrela do motor de indução, a corrente de partida fica reduzida a \( \dfrac{1}{3} \) do valor que seria obtido com partida direta, enquanto o conjugado de partida reduz-se proporcionalmente ao quadrado da redução da corrente de partida, ou seja, a \( \dfrac{1}{9} \) de seu valor.
Provas
- Instalações ElétricasInstalações Industriais e Instalações para Motores
- Transformadores e Máquinas ElétricasMáquinas AssíncronasPartida e Controle de velocidade

Os motores elétricos de indução, durante a partida, solicitam uma corrente de valor elevado, da ordem de 6 a 10 vezes a sua corrente nominal. Nessas condições, essas sobrecorrentes provocam quedas de tensão nos circuitos de alimentação dos motores, normalmente muito superiores aos limites estabelecidos para o funcionamento em regime normal. Dessa forma, na fase de elaboração de um projeto de acionamento de motoreseminstalações industriais, como, por exemplo, em acionamento de bombas, em ventiladores e em britadores, devese identificar um sistema de partida eficiente para esses motores. Em circuitos sobrecarregados, são usadas, geralmente, chaves estrelatriângulo (Y-•) e chaves compensadoras, ilustradas, respectivamente, nas figuras I e II acima, como forma de suavizar os efeitos da partida dos motores de indução trifásicos. Em relação a essas chaves de partida e com base nas figuras, julgue os itens a seguir.
Para o acionamento de motores de indução trifásicos por meio de chaves estrela-triângulo, é necessário que o motor possua seis bornes ou terminais acessíveis e que a tensão da rede coincida com a tensão do motor em delta.
Provas
- Transformadores e Máquinas ElétricasPrincípios BásicosControle Eletrônico de Máquinas Elétricas
- Transformadores e Máquinas ElétricasMáquinas AssíncronasPartida e Controle de velocidade

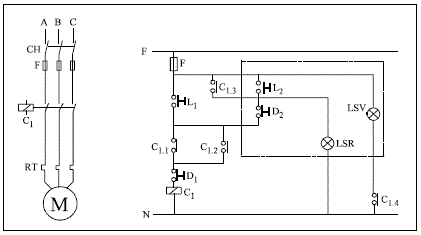
Os circuitos terminais de alimentação dos motores de indução trifásicos para aplicações normais exigem dispositivos específicos que diferem dos circuitos comuns para iluminação e tomadas. Entre esses dispositivos, destacam-se aqueles para ligar, ou partir, e desligar o motor de forma segura, com os seus respectivos circuitos de controle. A figura acima apresenta os circuitos de força e de comando para uma chave de partida direta de motor de indução trifásico com rotor em gaiola. Com o auxílio dessa figura, julgue os itens que se seguem, acerca dos procedimentos de acionamento e controle dos motores de indução trifásicos.
A inserção de um relé de seqüência de fase atuando sobre o circuito de comando da bobina do contator principal, em série com o relé térmico, impede que a rotação do motor de indução trifásico tenha o seu sentido invertido.
Provas
- Transformadores e Máquinas ElétricasPrincípios BásicosControle Eletrônico de Máquinas Elétricas
- Transformadores e Máquinas ElétricasMáquinas AssíncronasPartida e Controle de velocidade

Os circuitos terminais de alimentação dos motores de indução trifásicos para aplicações normais exigem dispositivos específicos que diferem dos circuitos comuns para iluminação e tomadas. Entre esses dispositivos, destacam-se aqueles para ligar, ou partir, e desligar o motor de forma segura, com os seus respectivos circuitos de controle. A figura acima apresenta os circuitos de força e de comando para uma chave de partida direta de motor de indução trifásico com rotor em gaiola. Com o auxílio dessa figura, julgue os itens que se seguem, acerca dos procedimentos de acionamento e controle dos motores de indução trifásicos.
Na partida do motor, enquanto ele estiver sendo acionado manualmente, a botoeira L1 permanece fechada, energizando as bobinas do contator C1 e partindo o motor. Retirado o acionamento manual, essa botoeira retorna à sua posição normal, mantendo o motor em marcha, devido aos contatos auxiliares de selo C1.2 e C1.3 do contator C1 permanecerem fechados, mas a lâmpada de sinalização vermelha (LSR) se apaga e a verde (LSV) permanece acessa.
Provas
- Proteção de Sistemas ElétricosProteção de Máquinas Elétricas, Barramentos e Linhas
- Transformadores e Máquinas ElétricasMáquinas AssíncronasPartida e Controle de velocidade

Os circuitos terminais de alimentação dos motores de indução trifásicos para aplicações normais exigem dispositivos específicos que diferem dos circuitos comuns para iluminação e tomadas. Entre esses dispositivos, destacam-se aqueles para ligar, ou partir, e desligar o motor de forma segura, com os seus respectivos circuitos de controle. A figura acima apresenta os circuitos de força e de comando para uma chave de partida direta de motor de indução trifásico com rotor em gaiola. Com o auxílio dessa figura, julgue os itens que se seguem, acerca dos procedimentos de acionamento e controle dos motores de indução trifásicos.
Recomenda-se a inserção de sondas térmicas no interior do motor de indução em substituição aos relés térmicos quando os motores são à prova de explosão ou estão sujeitos a elevadas freqüências de manobras e tempo de partida elevado.
Provas
- Proteção de Sistemas ElétricosProteção de Máquinas Elétricas, Barramentos e Linhas
- Transformadores e Máquinas ElétricasMáquinas AssíncronasPartida e Controle de velocidade

Os circuitos terminais de alimentação dos motores de indução trifásicos para aplicações normais exigem dispositivos específicos que diferem dos circuitos comuns para iluminação e tomadas. Entre esses dispositivos, destacam-se aqueles para ligar, ou partir, e desligar o motor de forma segura, com os seus respectivos circuitos de controle. A figura acima apresenta os circuitos de força e de comando para uma chave de partida direta de motor de indução trifásico com rotor em gaiola. Com o auxílio dessa figura, julgue os itens que se seguem, acerca dos procedimentos de acionamento e controle dos motores de indução trifásicos.
Sabendo que é possível um aquecimento excessivo do motor sem que haja uma sobrecorrente, o relé térmico não deve ser substituído por um relé de sobrecorrente.
Provas
- Transformadores e Máquinas ElétricasPrincípios BásicosControle Eletrônico de Máquinas Elétricas
- Transformadores e Máquinas ElétricasMáquinas AssíncronasPartida e Controle de velocidade

Os circuitos terminais de alimentação dos motores de indução trifásicos para aplicações normais exigem dispositivos específicos que diferem dos circuitos comuns para iluminação e tomadas. Entre esses dispositivos, destacam-se aqueles para ligar, ou partir, e desligar o motor de forma segura, com os seus respectivos circuitos de controle. A figura acima apresenta os circuitos de força e de comando para uma chave de partida direta de motor de indução trifásico com rotor em gaiola. Com o auxílio dessa figura, julgue os itens que se seguem, acerca dos procedimentos de acionamento e controle dos motores de indução trifásicos.
Os dispositivos elétricos do circuito de força da chave de partida direta, identificados na figura por chave (CH), fusível (F), relé térmico (RT) e contator (C1), são, respectivamente e de acordo com a função específica, dispositivos de manobra, de proteção, sinalizador e piloto.
Provas
Caderno Container