A figura acima ilustra um circuito elétrico excitado por uma fonte de tensão v(t), que é ligada no instante t = 0. Nesse instante, tanto a energia armazenada no indutor quanto a armazenada no capacitor é nula. As tensões v1(t) e vc(t) são tensões nodais em relação ao nó de referência e as correntes i1(t) e i2(t) são correntes de malha. Na figura, considerando as malhas e os nós, foi omitida a notação referente à dependência das grandezas com o tempo. A partir desse circuito, julgue o item que se segue.
Por meio da lei de Kirchhoff de corrente no nó da tensão vc(t), é possível obter uma equação relacionando as grandezas vc(t) e v1(t).
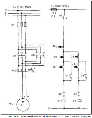
A figura acima mostra os diagramas de força e de controle do acionamento de um motor de indução trifásico de rotor em gaiola. Julgue o item abaixo, relativos ao acionamento e aos diagramas.
No diagrama de força, a chave seccionadora e1 tem por finalidade a abertura do ramal de alimentação do motor quando isso for necessário.
Julgue os itens a seguir, quanto à representação de sistemas
elétricos de potência para estudos em regime permanente,
utilizando informações a partir de diagramas unifilares, dados
nominais e modelagem dos circuitos equivalentes de
equipamentos.
Na representação de linhas de transmissão, o modelo mais
adequado depende do comprimento da linha, podendo ser
utilizado um circuito equivalente característico para linha
curta, média ou longa.
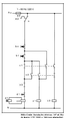
A figura acima mostra o diagrama de controle do acionamento de um motor de indução trifásico de rotor em gaiola. Julgue os seguintes itens, relativos ao acionamento e ao diagrama.
É possível que esse acionamento seja o de partida do motor
por meio de uma chave estrela-triângulo.
Distúrbios severos em um sistema elétrico de potência podem resultar em saídas de circuitos em cascata e isolação de áreas, causando formação de ilhas elétricas. Algumas dessas ilhas podem ter excesso de geração em relação às suas cargas e outras ter deficiência. Em relação à perda de geração em uma área elétrica isolada, dotada de geração somente com recursos para controle primário de freqüência, julgue o item subseqüente.
Áreas que apresentam perda de geração são as causadoras de blackouts de grandes proporções.
A figura acima mostra um circuito equivalente de um sistema elétrico de potência com todos os valores das grandezas em pu. Em relação aos valores indicados no circuito, a tensão da fonte é igual a 1 pu e os demais referem-se a valores de impedância de cada elemento de circuito. Com relação a esse circuito, julgue o item que se segue.
Considerando o terra de referência no ponto n, a matriz de
Inversores de freqüência são geralmente empregados no acionamento de motores de indução trifásicos, elementos importantes em muitos atuadores finais de controladores de processos. Um exemplo de inversor de freqüência comercial é o CFW08, produzido pela empresa WEG do Brasil. A figura acima apresenta o diagrama da etapa de potência desse inversor. Em operação normal, o inversor é conectado à rede trifásica 200 V-240 V pelas linhas R, S e T. O motor deve ser ligado às linhas U, V e W. As tensões nos braços U, V e W são determinadas pelo sinais de gatilhamento dos transistores T1, T2, T3, T4, T5 e T6, que fazem uso de modulação em largura de pulso (PWM). A freqüência de gatilhamento desses transistores é programável, com possíveis valores 2,5 kHz, 5 kHz, 10 kHz e 15 kHz. Esse equipamento também é dotado de um sistema de frenagem reostática, do qual fazem parte a resistência R1 e o transistor T7.
Diante das informações contidas na figura e no texto acima, julgue o item subseqüente.
A configuração do circuito de potência não permite alterar a velocidade de rotação de um motor trifásico conectado às linhas U, V e W. Na verdade, este deve operar apenas no modo liga (apenas os transistores T1, T3 e T5 ativados) e desliga (apenas os transistores T2, T4 e T6 ativados).
A figura acima mostra o diagrama unifilar de um sistema elétrico de potência composto por um gerador, um transformador e uma carga equivalente. O transformador deveria ter tensão nominal no lado de baixa tensão igual à tensão nominal do gerador. Foi constatado, na realidade, que sua relação é 14,2kV/138kV. Apesar disso, esse equipamento foi conectado ao sistema, tendo em vista não haver outro disponível para suprimento à carga. Os dados principais de placa de cada equipamento são indicados no próprio diagrama unifilar. Considere que a reatância de seqüência negativa do gerador seja igual à de seqüência positiva e todas as três reatâncias de seqüência do transformador tenham o mesmo valor. Despreze a contribuição da corrente de carga no caso de análise de faltas. Assumindo uma base de potência de 100 MVA e tensão de 13,8 kV no gerador, julgue o item a seguir.
Em regime permanente, caso a carga seja desligada e o gerador opere com 1,0 pu de tensão em seus terminais, a tensão no lado de alta tensão do transformador será igual a 138 kV.
Existem medidas eficazes para a redução da potência de curtocircuito fase-terra em um sistema elétrico de potência e, conseqüentemente, do nível de curto-circuito monofásico. Acerca dessas medidas, julgue o item seguinte.
Normalmente, a corrente normal de carga é afetada por medidas para a redução do nível de curto-circuito fase-terra.