Foram encontradas 100 questões.
As técnicas de lubrificação de máquinas e equipamentos mecânicos são aplicadas com o objetivo de se manter uma lubrificação contínua e suficientemente distribuída nos pontos marcados, com a desejada economia do produto. Com relação às técnicas de lubrificação desses equipamentos, julgue o item seguinte.
Uma lubrificação eficiente e segura deve garantir o uso do lubrificante de forma contínua e automática.
Provas
Questão presente nas seguintes provas
As placas de acionamento contêm os circuitos eletrônicos que vão trabalhar com correntes mais elevadas. Com relação aos componentes típicos desses dispositivos eletrônicos, julgue o item que se segue.
Os tiristores podem ser empregados em acionamentos com corrente alternada ou contínua.
Provas
Questão presente nas seguintes provas
A usinagem de peças especiais com formatos não-simétricos ou prismáticos, longas, delgadas etc., é muito comum nas oficinas mecânicas de instalações petrolíferas. Considerando que essas oficinas possuam somente tornos convencionais, julgue o seguinte item.
Peças muito complexas, como mancais e corpos de motores, devem ser fixadas com placa lisa com cantoneira.
Provas
Questão presente nas seguintes provas

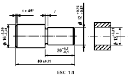
Com base no desenho acima, julgue o item que se segue.
A dimensão mínima do comprimento da parte rebaixada é 20,2 mm e a dimensão máxima, 19,9 mm.
Provas
Questão presente nas seguintes provas

Os aços são ligas metálicas de ferro e carbono, largamente empregadas na indústria em geral, especialmente na indústria petrolífera. O diagrama ferro-carbono é um dos principais instrumentos utilizados na metalurgia do aço e é capaz de fornecer várias informações acerca dessas ligas.
Considerando o diagrama ferro-carbono apresentado acima, julgue o item que se segue.
Na zona crítica, indicada no diagrama ferro-carbono, o aço A encontra-se em duas fases: líquida e sólida.
Provas
Questão presente nas seguintes provas
A usinagem de peças especiais com formatos não-simétricos ou prismáticos, longas, delgadas etc., é muito comum nas oficinas mecânicas de instalações petrolíferas. Considerando que essas oficinas possuam somente tornos convencionais, julgue o seguinte item.
A luneta móvel acompanha o torneamento, pois é fixada na contraponta, sendo este último acessório utilizado no torno convencional.
Provas
Questão presente nas seguintes provas

As correias são elementos mecânicos utilizados normalmente em conjunto com polias motoras ou condutoras na transmissão de movimento e força. Com relação ao sistema de transmissão apresentado acima, julgue o item que se segue.
A correia dentada é utilizada para os casos em que somente pequenos deslizamentos são permitidos no movimento de transmissão.
Provas
Questão presente nas seguintes provas

A figura acima apresenta o desenho esquemático de uma bomba rotativa de engrenamento externo, largamente utilizada nos circuitos hidráulicos para impulsionar o óleo armazenado em reservatórios externos. Considerando a bomba apresentada na figura, julgue os itens seguintes.
A pressão de saída, atuando contra os dentes, causa uma carga balanceada nos eixos das engrenagens.
Provas
Questão presente nas seguintes provas

O conjunto motor-acoplamento-bomba hidráulica, apresentado na figura acima, é largamente utilizado na indústria petrolífera. No que se refere a esse conjunto, julgue o item subseqüente.
Considerando-se que o acoplamento do conjunto apresentado acima seja realizado com flanges, o ideal é que a sua instalação seja realizada a quente.
Provas
Questão presente nas seguintes provas
A usinagem de peças especiais com formatos não-simétricos ou prismáticos, longas, delgadas etc., é muito comum nas oficinas mecânicas de instalações petrolíferas. Considerando que essas oficinas possuam somente tornos convencionais, julgue o seguinte item.
A fixação de peças com formatos simples não-simétricos ou prismáticos no torno convencional é realizada por meio de placa com 4 castanhas independentes.
Provas
Questão presente nas seguintes provas
Cadernos
Caderno Container