Foram encontradas 120 questões.
Julgue os itens a seguir acerca de sistemas de proteção contra descargas atmosféricas (SPDAs).
Locais dotados de infra-estrutura para armazenamento de gases ou líquidos inflamáveis requerem elevado nível de proteção contra descargas atmosféricas.
Provas
Resistores, indutores e capacitores são componentes comumente utilizados em circuitos alimentados por corrente ou tensão alternada. Acerca de circuitos alimentados por fonte de tensão senoidal, julgue o item seguinte.
Considere que, em um circuito RLC à freqüência angular !$ \omega !$, o resistor tenha resistência R, o indutor tenha indutância L e o capacitor tenha capacitância C. Nesse caso, os módulos das impedâncias de cada um desses elementos do circuito são dados, respectivamente, por R, !$ \omega L !$ e !$ \dfrac{1}{\omega C} !$.
Provas

Considerando a figura acima, que representa o laço de histerese de determinado material ferromagnético, em que B é a indução magnética e H, a intensidade do campo magnético, julgue o item a seguir.
No material ferromagnético, a razão entre os valores das grandezas B e H é igual à relutância do material ferromagnético.
Provas

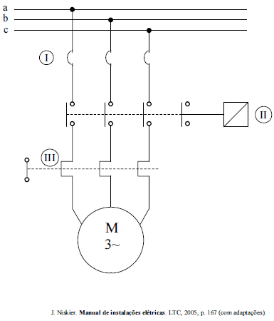
A figura acima mostra um circuito de força típico para alimentação de um motor de indução trifásico. Com relação à simbologia utilizada para representar os elementos desse circuito e à finalidade de cada um desses elementos, julgue o item subseqüente.
O circuito de força do motor referido acima é energizado por meio do elemento
, quando este é adequadamente energizado a partir de comando no circuito de controle.
Provas

A figura acima mostra um circuito elétrico composto de uma lâmpada L, de uma bateria V e de três interruptores A, B e C, inicialmente, na posição aberta ou desligada. Considere que os estados de operação dos interruptores e da lâmpada possam ser representados, respectivamente, pelas variáveis lógicas A, B, C, e L, em que os estados ligado e desligado dos elementos do circuito sejam representados pelos valores booleanos 1 e 0, respectivamente. A partir dessas informações, julgue o item seguinte.
L=A.B+C representa corretamente os estados de funcionamento da lâmpada no circuito apresentado.
Provas
Acerca de circuitos puramente resistivos alimentados por corrente contínua, julgue o item que se segue.
A resistência equivalente Req da associação de dois resistores em paralelo, R1 e R2, é dada por !$ R_{eq}=\dfrac{R_1R_2}{R_1+R_2} !$.
Provas

A figura acima mostra um circuito de força típico para alimentação de um motor de indução trifásico. Com relação à simbologia utilizada para representar os elementos desse circuito e à finalidade de cada um desses elementos, julgue o item subseqüente.
O elemento
é um fusível diazed, cujo anel de proteção é fixo em sua base.
Provas
Um sistema de automação dispõe, normalmente, de estações de processamento compostas de controladores lógicos programáveis, entre outros controladores em geral. Algumas das informações requeridas por essas estações são grandezas como a temperatura e a pressão dos processos industriais do sistema. Com relação a esse tema, julgue os itens subseqüentes.
As informações de temperatura e de pressão podem ser captadas por sensores, os quais têm função de converter as grandezas em questão para sinais elétricos correspondentes.
Provas
Com o objetivo de otimizar o uso da energia elétrica, foi editada norma estabelecendo que o fator de potência mínimo com que uma unidade consumidora deve operar é igual a 0,92. Se operar com fator de potência abaixo desse valor mínimo, a unidade consumidora será apenada com multa em sua conta de energia elétrica. Considerando essas informações, julgue os itens a seguir acerca de fator de potência.
Considere que uma indústria tenha registrado os seguintes valores de consumo: 4 MW e 3 MVar. Nessa situação, em razão da norma referida, essa indústria será apenada com multa em sua conta de energia.
Provas
Julgue os itens a seguir acerca de sistemas de proteção contra descargas atmosféricas (SPDAs).
Um SPDA dimensionado utilizando-se o método de Franklin tem como componentes necessários somente o captor, a haste metálica, o isolador e o cabo de descida.
Provas
Caderno Container