Foram encontradas 100 questões.
As entradas X, Y e Z do circuito digital a seguir, assumem os estados indicados abaixo nos instantes de tempo t1, t2 e t3.

Nessa situação, os valores da saída F designados acima po v1, v2 e v3 correspondem, respectivamente, a
Provas
Assinale a opção em que se apresenta informação que não consta de desenhos isométricos.
Provas
Documento as-built significa
Provas
A documentação é muito importante em qualquer projeto de engenharia. Ela é a base para uma inspeção e manutenção ágeis. Assinale a opção em que o documento apresentado não é empregado em tubulação industrial.
Provas

Com base no esquemático de um circuito eletrônico ilustrado acima, julgue os itens a seguir.
I Por este esquemático, pode ser visto que os resistores devem ser de ¼ Watt, com precisão de 10%.
II As letras "HCT" no rótulo do circuito integrado (74HCT688) são uma indicação da velocidade de resposta desse circuito.
III Por meio das linhas de A3 a A10, um dispositivo microprocessado pode descobrir o endereço que foi programado através das chaves lógicas, varrendo toda a faixa de endereços possíveis.
IV Trata-se de um circuito que permite selecionar um dispositivo através de seu endereço. Para isso, atribui-se a ele uma identificação através das chaves. Essa identificação é única no sistema, e não pode ser alterada.
Estão certos apenas os itens
Provas

Com base na documentação de instrumentação mostrada acima, é correto afirmar que
Provas

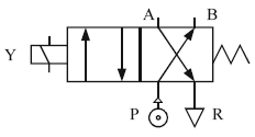
O elemento final de controle mostrado na figura acima é uma válvula eletropneumática de
Provas

Um termopar é constituído de dois metais distintos, tais como ferro e constantan, que são unidos para produzir uma diferença de potencial quando as junções apresentam diferentes temperaturas. Com relação aos termopares, assinale a opção incorreta.
Provas
Dispositivos RTD são utilizados normalmente para medir o(a)
Provas
Bons isolantes elétricos são algumas vezes necessários na construção e instalação de instrumentos em campo. Não é um bom isolante elétrico o(a)
Provas
Caderno Container