Foram encontradas 100 questões.
No que se refere a automação industrial, julgue o item subsequente.
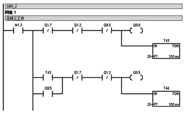
A figura a seguir é exemplo de diagrama lógico utilizado em controlador lógico programável, componente muito utilizado em automação industrial.

Provas
No que se refere a automação industrial, julgue o item subsequente.
Apesar de ser um componente com muitos recursos, um controlador lógico programável possui como limitação o fato de não conseguir acionar motores elétricos por meio de contatores de potência.
Provas
Julgue o seguinte item, a respeito de eletrônica analógica e digital.
Uma das principais características da eletrônica digital reside no fato de ela trabalhar com sinais que podem ter qualquer valor entre o limite mínimo e o limite máximo.
Provas
Julgue o seguinte item, a respeito de eletrônica analógica e digital.
O nível de água em um reservatório é exemplo de grandeza física que pode ser representada por um sinal analógico.
Provas
Acerca de manutenção elétrica, julgue o próximo item.
A substituição de um disjuntor termomagnético comprovadamente defeituoso por outro compatível e em perfeito estado de funcionamento é exemplo de manutenção corretiva.
Provas
Acerca de manutenção elétrica, julgue o próximo item.
Manutenção preventiva e manutenção preditiva são expressões sinônimas.
Provas
No dimensionamento de condutores elétricos, o critério relativo à capacidade de condução é o único que deve ser utilizado para circuitos que alimentam motores elétricos trifásicos.
Provas
Como regra geral, o sistema de proteção contra descargas atmosféricas de um edifício deve ter o subsistema de aterramento independente do aterramento da instalação elétrica do edifício.
Provas
A referida norma aplica-se às instalações elétricas de baixa tensão, ainda que provisórias.
Provas
A respeito de aterramento de equipamentos elétricos, julgue o item que se segue.
A principal função do aterramento da carcaça de um forno elétrico é proteger o equipamento contra sobrecorrente proveniente de sobrecarga.
Provas
Caderno Container