Foram encontradas 760 questões.
Os materiais mais resistentes aos choques térmicos e, portanto, menos susceptíveis a rachar/trincar nessa situação, são aqueles que apresentam um menor coeficiente de dilatação térmica.
Provas

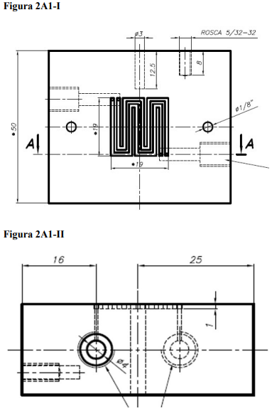
Com base na vista lateral esquerda, representada na figura 2A1-II, é correto afirmar que a vista frontal do corte é a apresentada na figura a seguir.

Provas

Na figura 2A1-I, o plano de corte A é um corte total.
Provas
Em cortes aplicados no sentido longitudinal, os parafusos devem ser hachurados.
Provas
Um único plano de corte é usado no corte em desvio.
Provas
Julgue o item seguinte, a respeito de higiene e segurança do trabalho.
De acordo com o conceito de confiabilidade de sistemas, os acidentes de trabalho são causados exclusivamente por imprudência, negligência ou imperícia do trabalhador.
Provas
Julgue o item seguinte, a respeito de higiene e segurança do trabalho.
Os riscos biológicos, em geral, derivam da utilização de microrganismos vivos como parte do processo produtivo.
Provas
Julgue o item seguinte, a respeito de higiene e segurança do trabalho.
Os riscos mecânicos são provenientes do contato físico entre os agentes potencialmente nocivos e o trabalhador.
Provas
Julgue o item a seguir, a respeito de eletrotécnica.
A tensão nos terminais de uma carga será nula se ela for conectada em paralelo a um curto circuito.
Provas
Julgue o item a seguir, a respeito de eletrotécnica.
Quando ligado na posição inverno, um chuveiro drena menos corrente elétrica para o resistor; por isso, a potência elétrica é menor em relação à posição verão, e a água sai mais quente.
Provas
Caderno Container