Foram encontradas 997 questões.

Tendo como referência o circuito precedente, em que RD = 100 Ω, R2 = 20 Ω, R4 = 50 Ω, julgue o próximo item.
Se R = 40 Ω, a ponte está em equilíbrio.
Provas
- Instalações ElétricasEquipamentos em Média Tensão
- Sistemas Elétricos de PotênciaDistribuição de Energia Elétrica

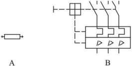
Considerando os símbolos apresentados anteriormente, julgue o item a seguir.
O dispositivo B pode atuar por efeito térmico.
Provas
- Instalações ElétricasEquipamentos em Média Tensão
- Sistemas Elétricos de PotênciaDistribuição de Energia Elétrica

Considerando os símbolos apresentados anteriormente, julgue o item a seguir.
Se o dispositivo A for acionado por efeito térmico, ele necessitará ser rearmado para que seu funcionamento continue normal.
Provas
Disciplina: Engenharia de Transportes e Trânsito
Banca: CESPE / CEBRASPE
Orgão: Petrobrás
Julgue o item a seguir, acerca do tráfego urbano.
O fluxo de tráfego de veículos em uma via é determinado pela contagem dos veículos que transitam em certa seção da via durante determinado período.
Provas
Disciplina: Engenharia de Transportes e Trânsito
Banca: CESPE / CEBRASPE
Orgão: Petrobrás
Julgue o item a seguir, acerca do tráfego urbano.
Devido ao caráter dinâmico do trânsito, é necessária avaliação periódica do desempenho da operação do tráfego e de sua fluidez em decorrência da programação semafórica ou em virtude de possível reprogramação.
Provas
Disciplina: Engenharia de Transportes e Trânsito
Banca: CESPE / CEBRASPE
Orgão: Petrobrás
Julgue o item a seguir, acerca do tráfego urbano.
A segurança viária para o pedestre em semáforos consiste em andar normalmente durante a travessia da via enquanto o sinal estiver verde e aumentar a velocidade das passadas quando o sinal estiver amarelo e intermitente.
Provas
Disciplina: Engenharia de Transportes e Trânsito
Banca: CESPE / CEBRASPE
Orgão: Petrobrás
Julgue o item a seguir, acerca do tráfego urbano.
A implantação de semáforos em interseções viárias justifica-se pelo descrédito dos usuários em relação à sinalização realizada por outros meios, como faixas e placas indicativas de parada obrigatória.
Provas
Disciplina: Engenharia de Transportes e Trânsito
Banca: CESPE / CEBRASPE
Orgão: Petrobrás
Julgue o item a seguir, acerca do tráfego urbano.
A taxa de ocupação da via é calculada com base no quociente entre a taxa do fluxo em determinado momento e o respectivo fluxo de saturação de um grupo de movimentos.
Provas
Um navio petroleiro transporta produtos derivados de petróleo, como diesel, nafta, gasolina, óleo combustível etc. Próximo a esse navio, foram colocadas boias esféricas de sinalização que flutuam parcialmente submersas.
Acerca dessa situação hipotética, e considerando que a massa de cada boia esférica seja igual a 2,0 kg, que a densidade da água seja igual a 103 kg/m3 e que a aceleração da gravidade seja igual a 10 m/s2 , julgue o item que se segue.
A força de empuxo que atua em uma boia é igual a 20 N.
Provas
Um navio petroleiro transporta produtos derivados de petróleo, como diesel, nafta, gasolina, óleo combustível etc. Próximo a esse navio, foram colocadas boias esféricas de sinalização que flutuam parcialmente submersas.
Acerca dessa situação hipotética, e considerando que a massa de cada boia esférica seja igual a 2,0 kg, que a densidade da água seja igual a 103 kg/m3 e que a aceleração da gravidade seja igual a 10 m/s2 , julgue o item que se segue.
O volume de água deslocado por uma boia é igual a 2 × 10−2 m3 .
Provas
Caderno Container