Foram encontradas 120 questões.
Quanto aos princípios de funcionamento de geradores e de motores elétricos, julgue os itens que se seguem.
No motor de indução polifásico, a velocidade de rotação do eixo em regime permanente é proporcional à freqüência da rede de alimentação e inversamente proporcional ao número de pólos da máquina.
Provas
Quanto aos princípios de funcionamento de geradores e de motores elétricos, julgue os itens que se seguem.
O uso de uma máquina de corrente contínua como gerador, para alimentar uma carga resistiva, cria um conjugado pela interação dos campos magnéticos do estator e do rotor. Esse conjugado opõe-se à rotação do eixo da máquina.
Provas
Quanto aos princípios de funcionamento de geradores e de motores elétricos, julgue os itens que se seguem.
Em motores de corrente contínua, o enrolamento de armadura encontra-se no estator, enquanto o enrolamento de campo fica no rotor.
Provas

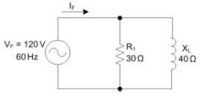
No circuito de corrente alternada acima, uma fonte de 120 V RMS alimenta uma carga formada por uma resistênca R1 e uma indutância de reatância XL em paralelo. Supondo que o circuito esteja em regime permanente e que os seus elementos sejam ideais, julgue os itens seguintes.
A corrente IF está em atraso com relação à tensão VF
Provas

No circuito de corrente alternada acima, uma fonte de 120 V RMS alimenta uma carga formada por uma resistênca R1 e uma indutância de reatância XL em paralelo. Supondo que o circuito esteja em regime permanente e que os seus elementos sejam ideais, julgue os itens seguintes.
Provas

Com relação ao circuito elétrico acima, julgue os itens subseqüentes, supondo ideais os seus elementos.
Provas

Com relação ao circuito elétrico acima, julgue os itens subseqüentes, supondo ideais os seus elementos.
Da malha da corrente I1 tem-se a seguinte relação:
–50 – R1⋅I1–R4⋅ (I1–I2) –R2⋅I1 = 0Provas
Com relação a elementos de circuitos, julgue os itens a seguir.
O circuito equivalente de Norton é composto por uma fonte de corrente ideal e uma resistência de saída conectada em paralelo com a fonte de corrente.
Provas
Com relação a elementos de circuitos, julgue os itens a seguir.
Fontes de corrente ideais fornecem a corrente necessária a uma carga de forma a manter constante a tensão nos terminais da fonte.
Provas
Com relação a elementos de circuitos, julgue os itens a seguir.
Capacitores ideais possuem impedância infinita independentemente das freqüências que compõem a tensão presente em seus terminais.
Provas
Caderno Container